EasyManua.ls Logo

Lenze Smart Motor m300 MSEMA Series - Accionamiento Individual; Conexión Eléctrica

Lenze Smart Motor m300 MSEMA Series
116 pages
To Next Page IconTo Next Page
To Next Page IconTo Next Page
To Previous Page IconTo Previous Page
To Previous Page IconTo Previous Page
Loading...
Instalación
Conexión eléctrica
Accionamiento individual
4
ES
81
Lenze ¯ MDKSEMA ¯ 5.0
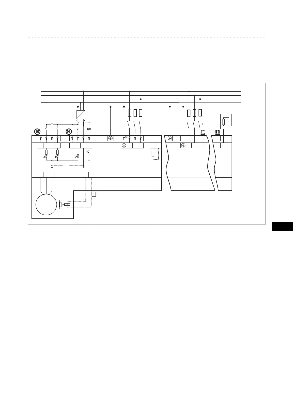
4.3 Conexión eléctrica
4.3.1 Accionamiento individual
Esquema de conexiones
L1
3/N/PE AC 400/480 V
L1
L2
L3
N
PE
F1…F3
L2
L3
SELV/PELV
DC 24 V
(+19.2 …+28.8 V)
5.6k
5.6k
R
b
M
3~
Rb1
Rb2
V
U
W
X3
X4
1 2 3
BD1
BD2
X2
1 2 3
4
X1
1 2 3
4
X5
max. 50 mA
X6
GND
-I
DI1DI2
n. c.
5.6k
GND
-O
DO1
DI3
24V
Rb1
Rb2
X4
R
b
Rb1 Rb2
L1
F1…F3
L2
L3
X3
390
QUICKON
1
2
3
4
1
2
3
4
DC
AC
Q
Q
400
MSEMA_002
GND está puenteado, cuando en la placa de características figura como indicación de la
versión "DI/DO−GND bridged".

Table of Contents

Related product manuals