EasyManua.ls Logo

LG BPM55 - Ic701 (Tpic2050): 9 Ch Motor Drive with 3 Beam Laser Diode Driver

LG BPM55
83 pages
Print Icon
To Next Page IconTo Next Page
To Next Page IconTo Next Page
To Previous Page IconTo Previous Page
To Previous Page IconTo Previous Page
Loading...
4-8
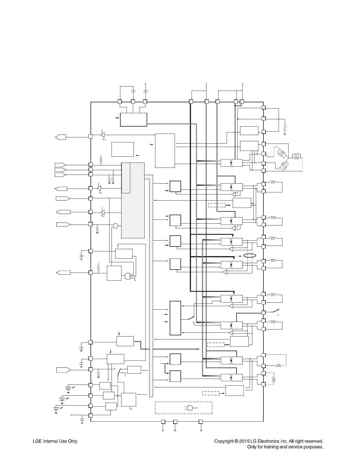
2. IC701 (TPIC2050)
: 9ch motor drive with 3 beam laser diode driver
2-1. Block Diagram
ENDDET
F/B
SSZ
W
V
U
MCOM
AGND/DGND
P12V1
P12V3
CP1
CP2
CP3
TRK+
TRK-
FCS+
TLT-
TLT+
SOMI
SLED1+
SIMO
XFG
SCLK
LOAD+
P5V1
AGND
RDY
STP1-
STP2+
STP2-
CV3P3V
SIOV
XRSTIN
GPOUT
0.1u
P12V
9.5V
XFG
SSZ
VLDDIN
SCLK
SIMO
SOMI
3.3V
RESETIN
RDY
GPOUT
0.1u
C10V
0.1u
F/B
SPMLogic
DACPWM
SPII/F
0.1u
P12V
P5V2
P12V2
SLED1-
SLED2+
SLED2-
FCS-
LOAD-
PGND1-2
STP1+
BEMF
detector
SPM
Current limit
ICOM2
ICOM1
ISENSE
0.1.
Charge
pump
Digitalcore
pre-
driver
power
FET
SLEDEND
detection
STEPEND
detection
DAC
PWM
DAC
PWM
DAC
PWM
DAC
PWM
DAC
PWM
DAC
PWM
DAC
PWM
P5V
P5V
P12V
int3.3V
Regulator
A5V
P5V
int10V
Regulator
Analog
5V
DAC
P12V
SLDENA
TLTENA
DIFFTLT
TEMPMON_ENA
TRKENA
STPENA
SPMENA
power
monitor
SIOV
200k
200k
SIOV
33k
19V
LOADENA
F/B
F/B
F/B
F/B
F/B
SLDENA
TPIC2050
Onchip
thermometer
pre-
driver
power
FET
pre-
driver
power
FET
pre-
driver
power
FET
pre-
driver
power
FET
pre-
driver
power
FET
pre-
driver
power
FET
pre-
driver
power
FET
pre-
driver
power
FET
TRAYLock
detection
XSLEEP
1k
P12V
P5V
P5V12L
CA5V
0.1u
10u
A9P5V
ILDDBD
ILDDDVD
ILDDCD
V/I
V/I
V/I
LD
select
VLDDIN
ENDDET
ENDDETENA
ENDDETSEL[1:0]
ENDDET
ENDDET
200k
SIOV
SIOV
SOMI_HIZ
SIOV
GPOUT_ENA
XSLEEP
LDD_MSEL
LDD_AMODE

Table of Contents

Other manuals for LG BPM55

Related product manuals