EasyManua.ls Logo

LG DK676X - Video & Audio Block Diagram

LG DK676X
50 pages
Print Icon
To Next Page IconTo Next Page
To Next Page IconTo Next Page
To Previous Page IconTo Previous Page
To Previous Page IconTo Previous Page
Loading...
3-26
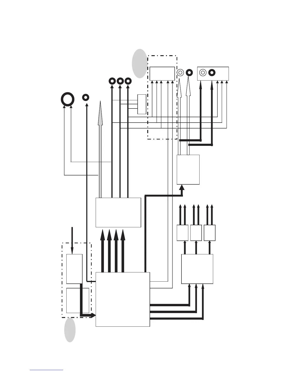
5. VIDEO & AUDIO BLOCK DIAGRAM
SY
MPEC
MTK1389E
(ADC internal)
Pr/R/SY (pin 171)
MM1692
PB/B/SC (pin 170)
Y/G/SY (pin 168)
Cr_in
Cb_in
Cy_in
CYout
Cbout
Crout
Y
Pb
Pr
SC
SUPER
CVBS(pin 164)
Y1IN YOUT
CVBSOUT
KA741
Amp
MIC IN
Karaoke
R
G
B
H_SYNC
V_SYNC
VGA
option
CS5331A
ADC
DAC
CS436
0
AMP
S4580
AMP
S4580
ASDAT0
ASDAT1
ASDAT2
FRONT L
REAR R
REAR L
CENTER
5.1 CH
AMP
S4580
Optical
ASPDIF( Pin159)
Analog signal
MC4580
Amp
Pin184,186
Scart
R
G
B
MUTE
MT1389E

Table of Contents

Related product manuals