EasyManua.ls Logo

LG DK676X - Karaoke Circuit Diagram (Karaoke Model Only)

LG DK676X
50 pages
Print Icon
To Next Page IconTo Next Page
To Next Page IconTo Next Page
To Previous Page IconTo Previous Page
To Previous Page IconTo Previous Page
Loading...
3-45 3-46
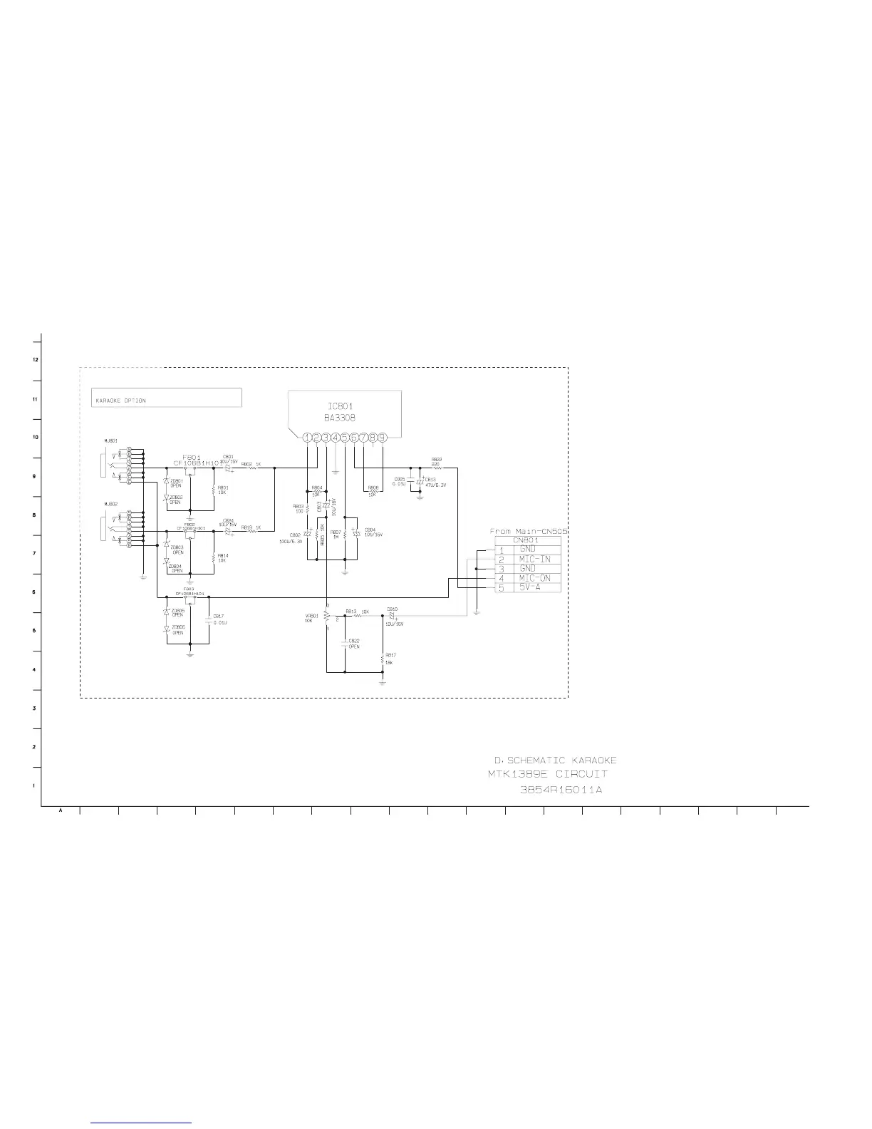
10. KARAOKE CIRCUIT DIAGRAM (KARAOKE MODEL ONLY)
A B C D E F G H I J K L M N O P Q R ST

Table of Contents

Related product manuals