EasyManua.ls Logo

LG G4F-DA2V - Page 18

LG G4F-DA2V
44 pages
Print Icon
To Next Page IconTo Next Page
To Next Page IconTo Next Page
To Previous Page IconTo Previous Page
To Previous Page IconTo Previous Page
Loading...
Chapter 3. INSTALLATION AND WIRING
3 - 3
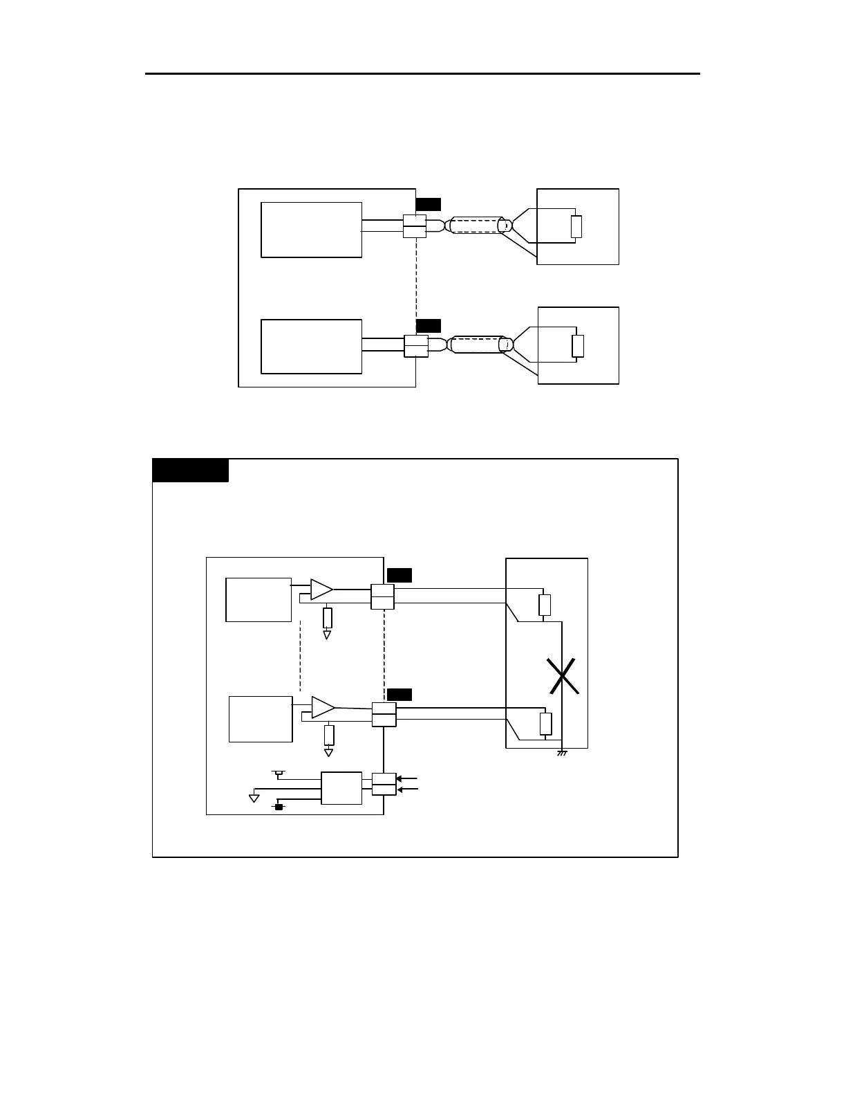
2) G3F-DA3I/G4F-DA3I/G4F-DA2I/G6F-DA2I
*1 For the cable, use a two-core twisted shielded wire.
Motor driving
module etc.
1
2
CH7
510
Ω
15
16
510Ω
GND
GND
CH0
*1
*1
D/A Converter
Circuit
D/A Converter
Circuit
Current output module(G3F-DA3I, G4F-DA3I, G4F-DA2I, G6F-DA2I) cannot be connected
with device which is grounded with common line.
Because it is not normal current output.
Remark
CH 7
Motor driving module etc.
CH 0
20
19
+15V
AGND
DC +24V
DC 0V
1
D/A converter
circuit
2
15
D/A converter
circuit
16
DC/DC
Converter
circuit
-15V

Table of Contents

Related product manuals