EasyManua.ls Logo

LG GC-P207

LG GC-P207
145 pages
To Next Page IconTo Next Page
To Next Page IconTo Next Page
To Previous Page IconTo Previous Page
To Previous Page IconTo Previous Page
Loading...
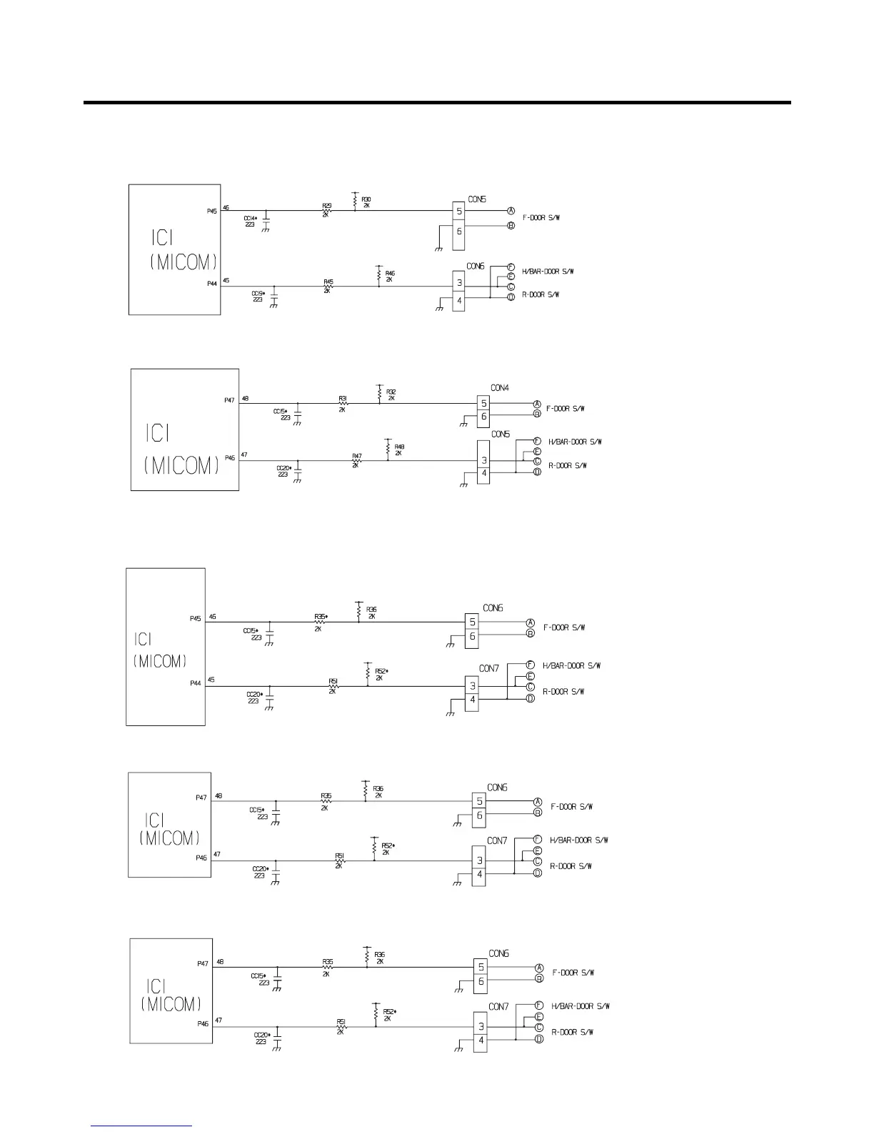
3. Door opening sensing circuit
EXPLATION FOR MICOM CIRCUIT
- 40 -
<GC-B/C207: 88-LED>
<GC-B/C207: Bar, Dot-LED>
<GC-P/L207: 88-LED>
<GC-P/L207: Bar-LED>
<GC-P/L207: Dot-LED>

Table of Contents

Related product manuals