EasyManua.ls Logo

LGMG MT86 - Schematic Diagram of Brake

Default Icon
165 pages
Print Icon
To Next Page IconTo Next Page
To Next Page IconTo Next Page
To Previous Page IconTo Previous Page
To Previous Page IconTo Previous Page
Loading...
MT86 Operation and Maintenance Manual
153
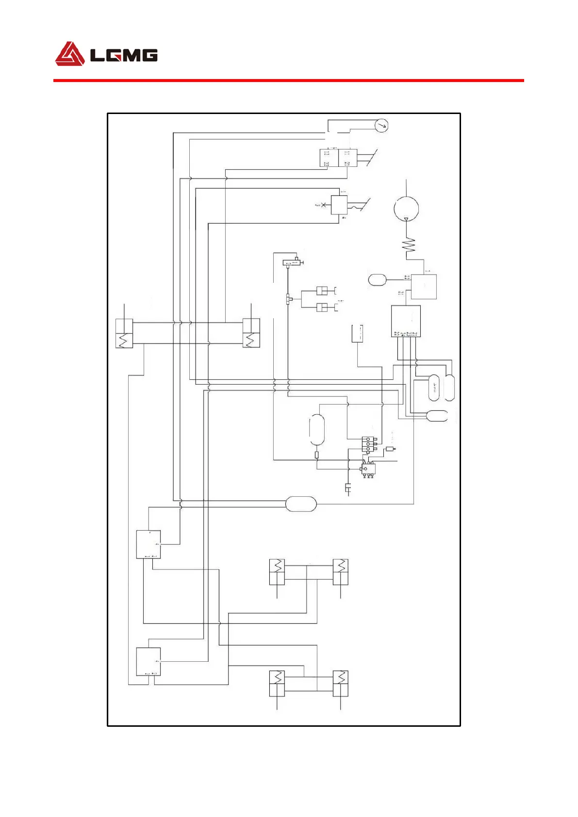
6.1 Schematic diagram of brake
6.4 Principle of hydraulic system
Pressureguag
ge
Central
and
rear
Front
axle
Air
compr
essor
Drier
Quadruple
-circuit
Renewable air
reservoir
Exhaust brake button
valve
Exhaust
brake
Oil
cutoff
Two-way check
valve
Front axle
chamber
Front axle
chamber
Front 50 L
Central 50 L
Parking 30L
PTO
Air horn
Solenoid
valve
Auxiliary
30L
Overflow
valve
Hydraulic lifting
valve
Auxiliary
module
Bogie
differential
Centr
al 50
L
Middle axle
chamber
Rear axle
chamber
Service relay
valve
Parking
relay valve

Related product manuals