EasyManua.ls Logo

Liebert 1000kVA - Figure 58 Load on UPS-Battery Not Available; Off Battery

Liebert 1000kVA
120 pages
Print Icon
To Next Page IconTo Next Page
To Next Page IconTo Next Page
To Previous Page IconTo Previous Page
To Previous Page IconTo Previous Page
Loading...
Operation
79
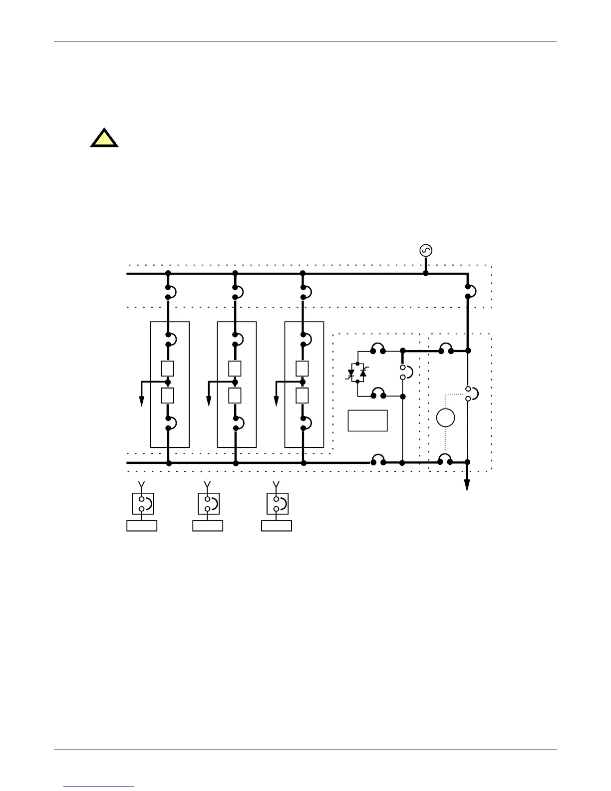
3.3.6 Off Battery
The battery plant can be disconnected from the UPS modules, if required for battery maintenance, by
opening the module battery disconnect (MBD) circuit breaker(s). In this situation the UPS system
will continue to supply conditioned power to the critical load, but if input power fails the UPS system
cannot supply power to the load.
Figure 58 Load on UPS—battery not available
!
CAUTION
When the UPS system is operating with the module battery disconnect (MBD) circuit
breaker(s) open, the critical load is not protected from loss of the utility source power.
For battery maintenance on multi-module systems, Liebert recommends taking the
module requiring maintenance off-line before beginning the work. This precaution will
minimize disturbances on the system bus if input power fails during the maintenance
work.
BIB
SKRU
MIB
MBB
I
R
#2UPS
CB1
CB2
I
R
#1UPS
CB1
System
Controls
I
R
#3UPS
CB1
CB2
RIB RIB
CB2
RIB BFB
Output
SBB
SBS
SCCT
SCCT
(can accommodate up to 6 UPS modules)
To Critical Load
Battery
MBD
Battery
MBD
Battery
MBD

Table of Contents

Related product manuals