EasyManua.ls Logo

Linear Access AM/II - Page 4

Default Icon
68 pages
Print Icon
To Next Page IconTo Next Page
To Next Page IconTo Next Page
To Previous Page IconTo Previous Page
To Previous Page IconTo Previous Page
Loading...
INTRODUCTION
The AM/II is designed for a broad range of access control
applications. Its wireless design with the proven MegaCode
radio format, the Wiegand and RS-232 interfaces, make it
easily adaptable for virtually any access control requirement.
The AM/II contains a high-gain superheterodyne UHF receiver.
When used with an external antenna, signals can be received
from up to 200 feet away. Two lockable metal enclosures are
available to house the AM/II.
Four dry contact relay outputs are provided to activate four
access devices, such as door strikes, barrier gates, automatic
sliding gates and automatic doors. The relay outputs can also
be used for alarm contact shunting, operator obstacle
triggering, and alarm activation. Two open request pushbutton
inputs are supplied for hardwire activation of the access
devices. Two door sense inputs allow detection of propped
open doors.
The AM/II has an RS-232 interface (bi-directional). The system
can be linked to a printer or personal computer. The event log
feature, for example, makes it possible to keep track of how
many employees are on premises, which employees are
present, and when they clock in and out. With connection to a
personal computer, the AM/II can be programmed locally or
remotely through the telephone system with standard Hayes
compatible modems. System reports can be printed or
captured from the RS-232 port.
The Wiegand interface is for connection to other
manufacturer’s access control systems. The AM/II can act as
a wireless receiver for an existing access control system. When
interconnected to a Sentex Infinity system, the AM/II can
simulate two Sentex card readers, receiving signals from
thousands of transmitters. The AM/II also supports the industry
standard Wiegand26 and Securakey31 data formats for
connecting to other access control panels.
Up to eight AM/II’s can be networked together allowing
information sharing between the units. A common event log is
retained for all of the networked units.
Four different size memory modules are available. The small,
medium, large and x-large modules allow tailoring the system
to meet the requirements of the installation. The larger the
memory module, the more transmitter ID codes and logged
events can be stored.
Additional remote accessory devices can be connected to the
AM/II. A rugged, die cast, weatherproof keypad (AM-KP) for
manual input of entry codes. A card reader interface (AM-CRI)
can connect to one or two card readers. A proximity receiver
(AM-RPR) provides ultra-short range radio reception for
transmitters. A remote radio receiver (AM-RRR) can be used
to extend the reception capabilities of the AM/II. Up to six
remote accessory devices can be used with each AM/II unit.
OK
BACK NEXT
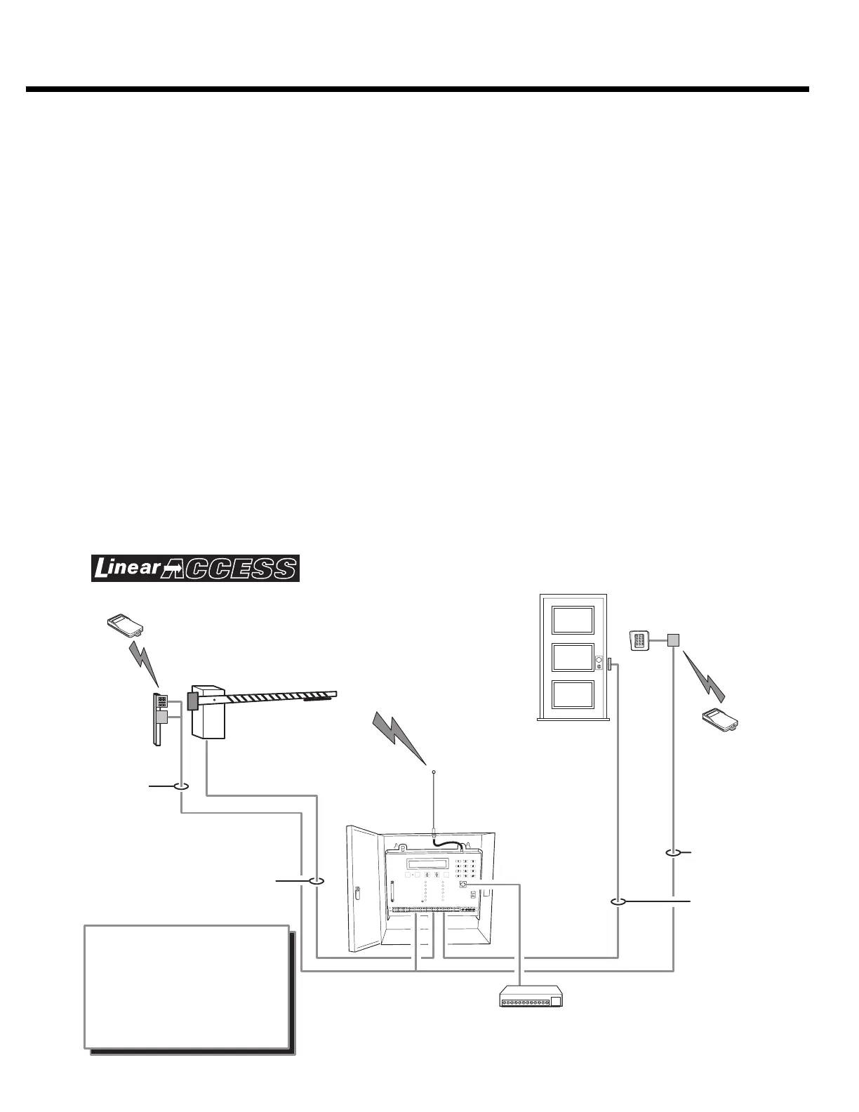
AM/II
Barrier Gate with Controlled
Door, Remote Receivers and
Remote Keypads.
Access is Controled with
Time Zones.
Safety Edge
Transmitter
Modem for Remote
Access & Programming
Barrier Gate
Controlled Door
Keypad &
Remote
Receiver
User Tx
User Tx
Proximity
Receiver
STANDARD
2-WIRE DOOR
STRIKE
CONNECTION
6-WIRE
LOCAL BUS
Keypad
Door
Strike
6-WIRE
LOCAL BUS
STANDARD
2-WIRE SIGNAL
CONNECTION
2

Table of Contents