EasyManua.ls Logo

Linear Technology LTC2983 - Block Diagram

Default Icon
72 pages
Print Icon
To Next Page IconTo Next Page
To Next Page IconTo Next Page
To Previous Page IconTo Previous Page
To Previous Page IconTo Previous Page
Loading...
LTC2983
10
2983fc
For more information www.linear.com/LTC2983
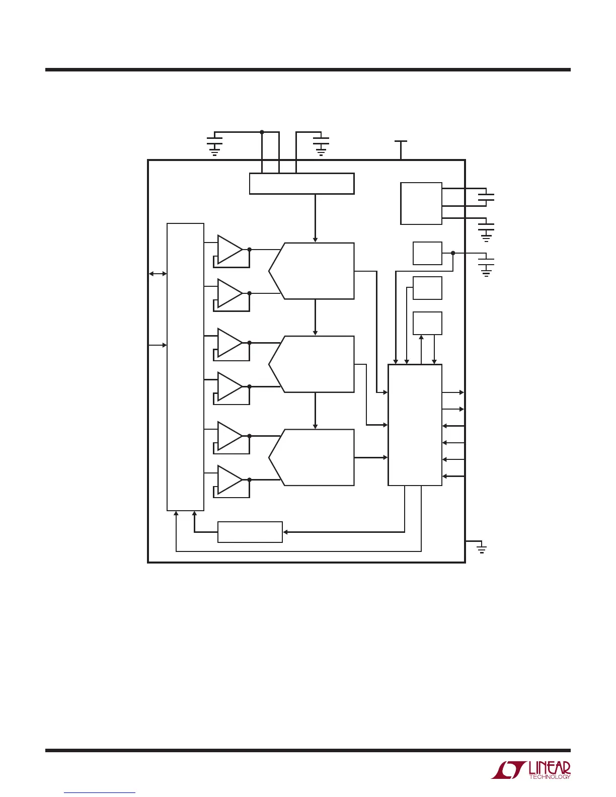
BLOCK DIAGRAM
2983 BD
21:6 MUX
CH1 TO CH20
COM
ADC1
ROM
RAM
ADC2
INTERRUPT
SDO
SCK
SDI
CS
RESET
ADC3
EXCITATION
CURRENT SOURCES
10ppm/°C REFERENCE
V
REFOUT
V
REFP
V
REF_BYP
0.1µF
V
DD
Q
2
Q
1
Q
3
LDO
PROCESSOR
LDO
CHARGE
PUMP
GND
10µF
10µF
10µF
F