EasyManua.ls Logo

logitrans LOGIFLEX SELF1003 - Page 29

Default Icon
32 pages
Print Icon
To Next Page IconTo Next Page
To Next Page IconTo Next Page
To Previous Page IconTo Previous Page
To Previous Page IconTo Previous Page
Loading...
29
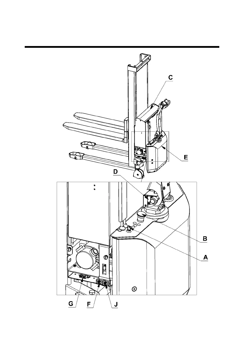
7.0 Fault codes/Fault location key

Related product manuals