EasyManua.ls Logo

LS tractor LB1300 - IMBH61. HYDRAULIC LINE GROUP

LS tractor LB1300
90 pages
Print Icon
To Next Page IconTo Next Page
To Next Page IconTo Next Page
To Previous Page IconTo Previous Page
To Previous Page IconTo Previous Page
Loading...
49
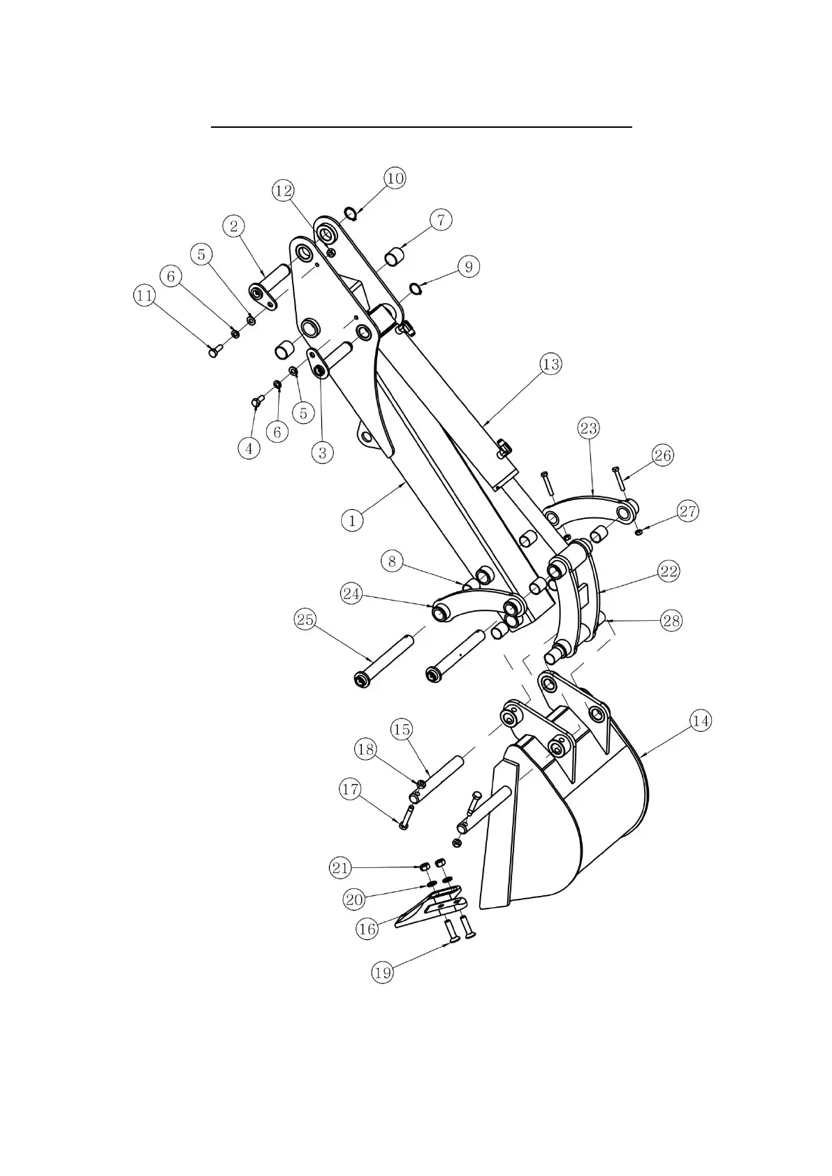
IMBH50. BUCKET, DIPPERSTICK GROUP