EasyManua.ls Logo

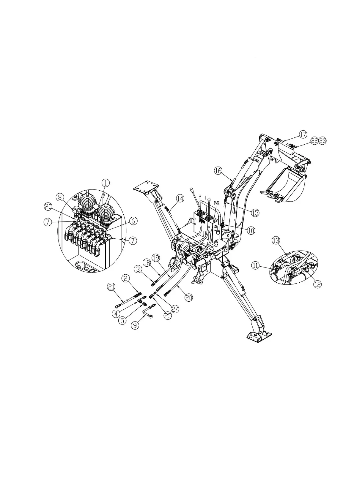
LS tractor LB1300 - IMBH62. HYDRAULIC CONTROL FITTING GROUP

LS tractor LB1300
90 pages
Print Icon
To Next Page IconTo Next Page
To Next Page IconTo Next Page
To Previous Page IconTo Previous Page
To Previous Page IconTo Previous Page
Loading...
51
IMBH61. HYDRAULIC LINE GROUP
27
28