EasyManua.ls Logo

LS tractor LM1160 - Gear Box and Mower Belt Removal; Center Housing Disassembly

LS tractor LM1160
49 pages
Print Icon
To Next Page IconTo Next Page
To Next Page IconTo Next Page
To Previous Page IconTo Previous Page
To Previous Page IconTo Previous Page
Loading...
DISASSEMBLING AND ASSEMBLING
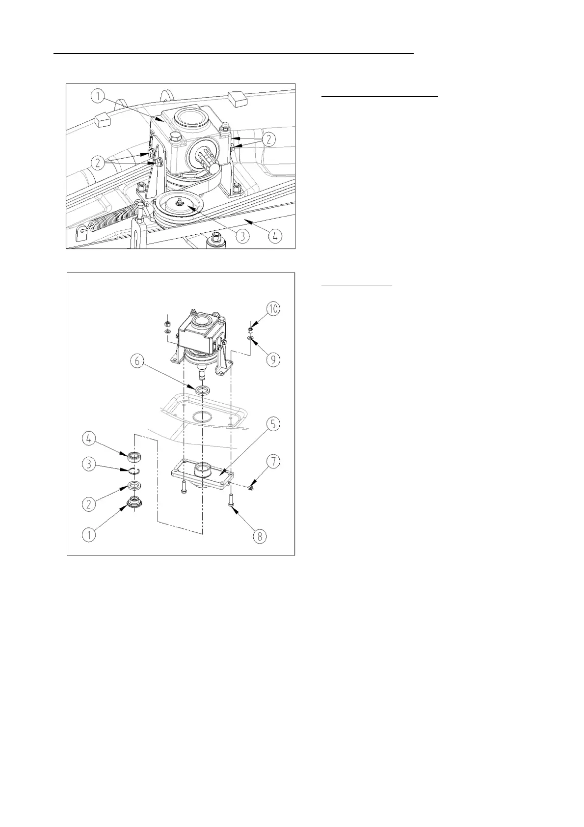
Gear Box and Mower Belt
(1) Gear Box (2) Mounting Screw
(3) Tension pulley (4) Mower Belt
(1) End Holder (2) Oil Seal
(3) Snap Ring (4) Ball Bearing
(5) Center Housing (6) Oil Seal
(7) Grease Fitting (8) Center Housing screw
(9) Washer-Spring (10) Center Housing Nut
- Install the center housing with center
housing screws and washer-spring and nut.
Center Housing
- Install the bearing(4) and snap ring(3).
1. Remove the end holder(1).
2. Remove the center housing screws(8),
washer-spring(9) and nut(10).
2. Remove the oil seal(2, 6).
3. Remove the snap ring(3), and ball
bearing(4).
(When reassembling)
1. Remove the mower belt(4) from the
tension pulley(3)
- Replace the oil seals (2, 6) with new ones.
2. Remove the left and right gear box
mounting screws(2), and remove the gear
box(1) from the mower deck
- 44 -

Related product manuals