EasyManua.ls Logo

Macurco CX-6 - Menú Sen

Macurco CX-6
165 pages
Print Icon
To Next Page IconTo Next Page
To Next Page IconTo Next Page
To Previous Page IconTo Previous Page
To Previous Page IconTo Previous Page
Loading...
Macurco CX-xx Manual (Rev-1.0) Spa
REV.: 1.0 [34-2900-0513-4 ] 54 | Página
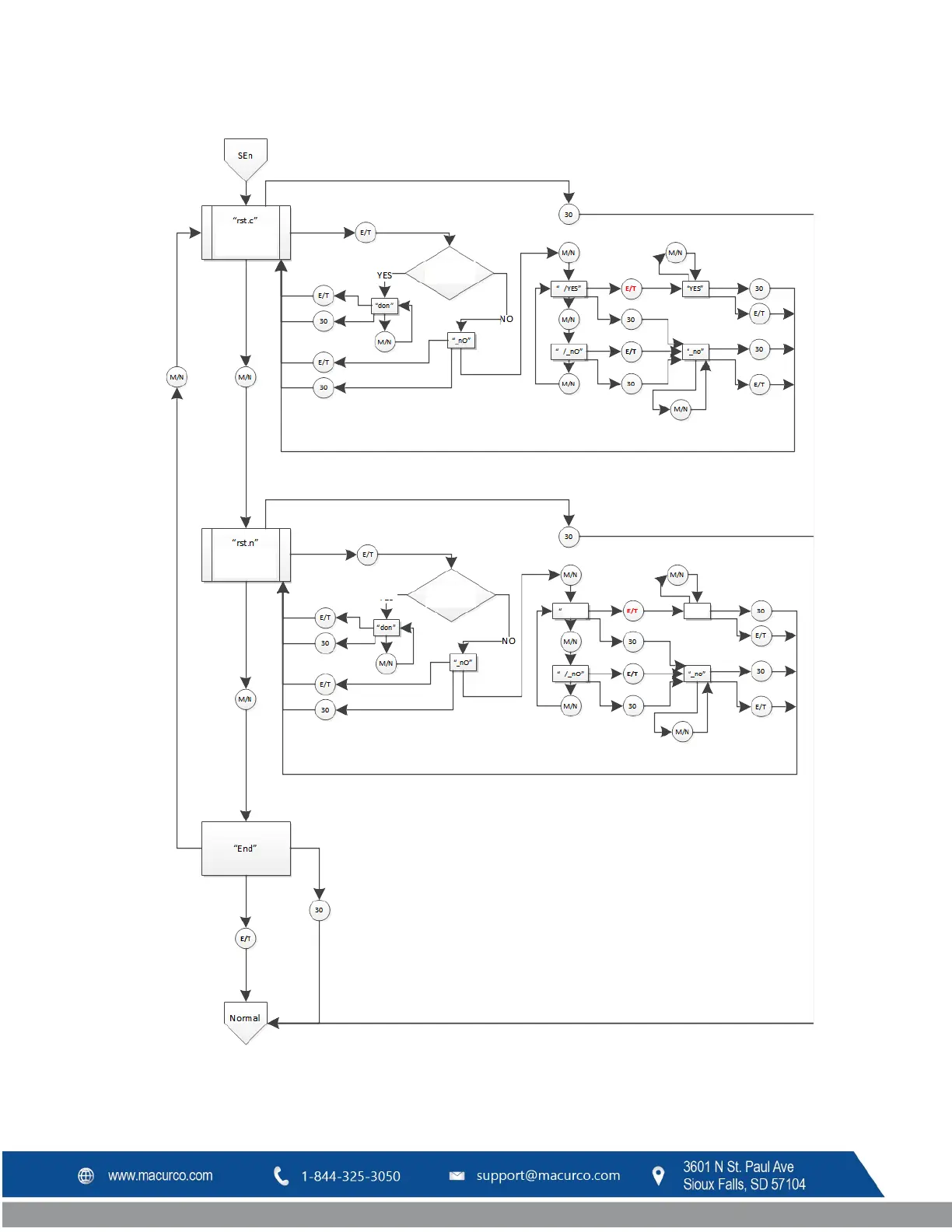
9.6 Menú SEn
¿Se hizo la
reposición?
Reposición
sensor de CO
vencido
Reposición
sensor de NO
2
vencido
¿Se hizo la
reposición?
/SÍ

Table of Contents

Related product manuals