EasyManua.ls Logo

Macurco CX-6 - Menu de Configuration con

Macurco CX-6
165 pages
Print Icon
To Next Page IconTo Next Page
To Next Page IconTo Next Page
To Previous Page IconTo Previous Page
To Previous Page IconTo Previous Page
Loading...
Macurco CX-xx Manual (Rev-1.0) Fre
RÉV. 1.0 [34-2900-0513-4 ] 44 | Page
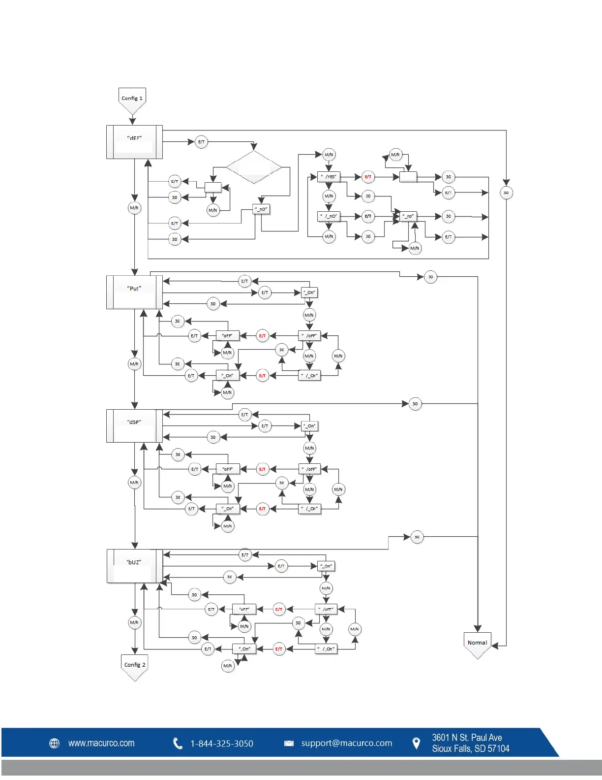
9.3 Menu de configuration « CON »
par défaut
Test de mise
sous tension
Mode
affichage
Mode
avertisseur
sonore
Valeurs par
défaut ?
OUI
OUI
Passer au réglage actuel ON
dans le présent exemple
Passer au réglage actuel ON
dans le présent exemple
Passer au réglage actuel ON
dans le présent exemple

Table of Contents

Related product manuals