EasyManua.ls Logo

Macurco CX-6 - Menú de Configuración CON

Macurco CX-6
165 pages
Print Icon
To Next Page IconTo Next Page
To Next Page IconTo Next Page
To Previous Page IconTo Previous Page
To Previous Page IconTo Previous Page
Loading...
Macurco CX-xx Manual (Rev-1.0) Spa
REV.: 1.0 [34-2900-0513-4 ] 44 | Página
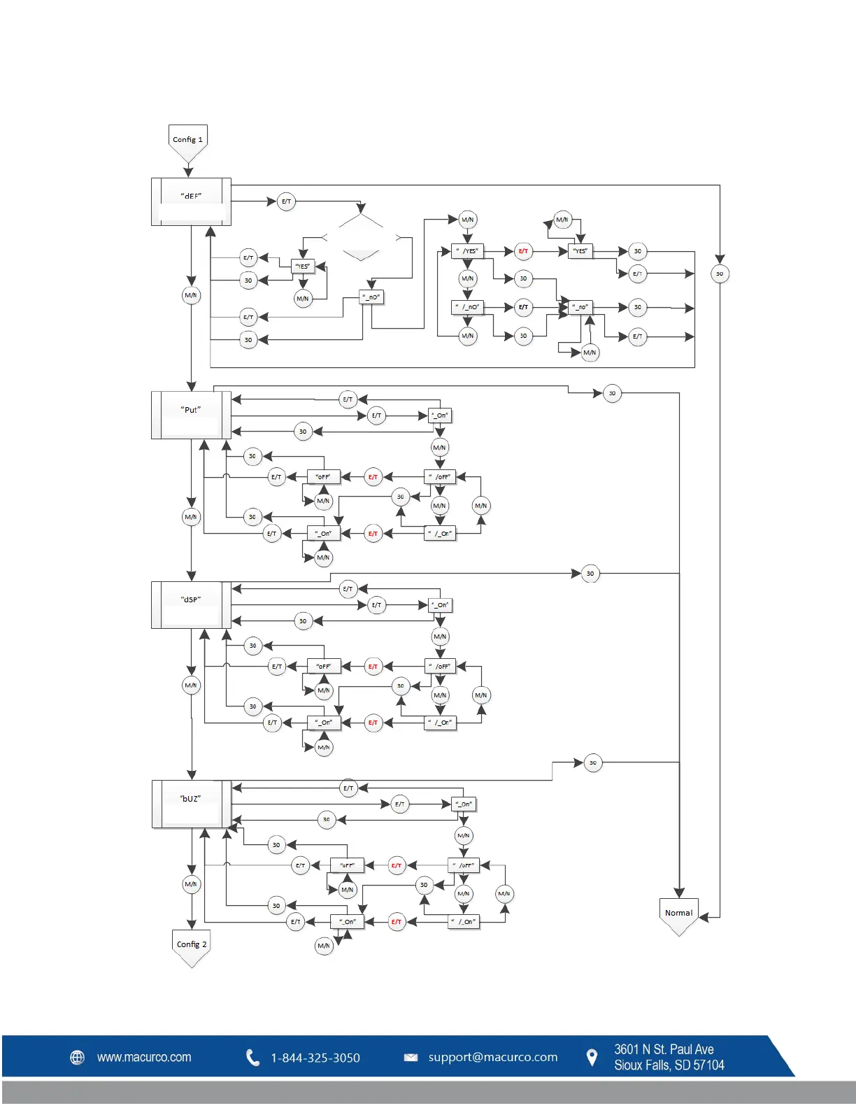
9.3 Menú de configuración "CON"
Predeterminada
¿Valores
predeterminados?
Prueba de
encendido
Modo de
pantalla
Modo de
zumbador
Ir a la opción actual, ON en
este ejemplo
Ir a la opción actual, ON en
este ejemplo
Ir a la opción actual, ON en
este ejemplo

Table of Contents

Related product manuals