EasyManua.ls Logo

Macurco CX-6 - Configuration Menu Flowchart

Macurco CX-6
165 pages
Print Icon
To Next Page IconTo Next Page
To Next Page IconTo Next Page
To Previous Page IconTo Previous Page
To Previous Page IconTo Previous Page
Loading...
Macurco CX-xx Manual (Rev-1.0) Eng
REV 1.0 [34-2900-0512-0 ] 44 | Page
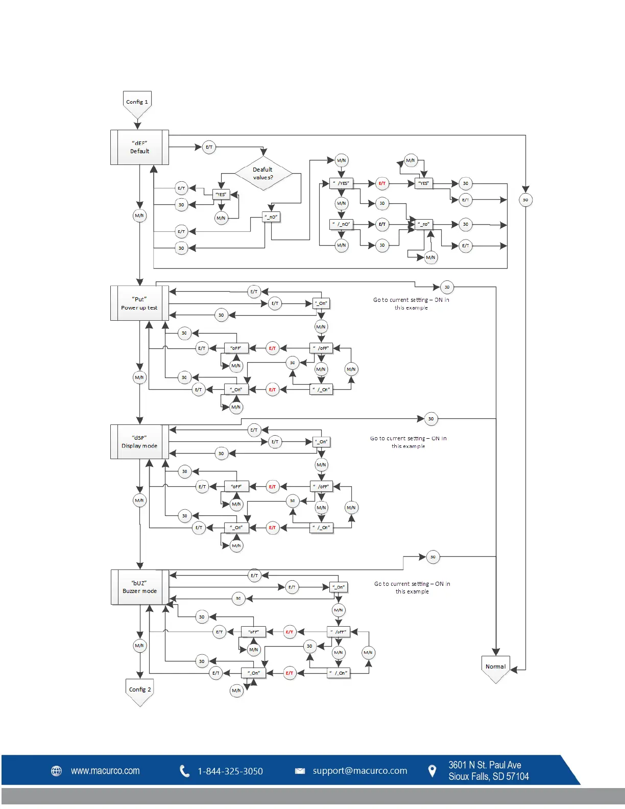
9.3 Configuration Menu “CON”

Table of Contents

Related product manuals