EasyManua.ls Logo

Macurco CX-6 - Apéndice B: Estructura de Menús; Menú Principal

Macurco CX-6
165 pages
Print Icon
To Next Page IconTo Next Page
To Next Page IconTo Next Page
To Previous Page IconTo Previous Page
To Previous Page IconTo Previous Page
Loading...
Macurco CX-xx Manual (Rev-1.0) Spa
REV.: 1.0 [34-2900-0513-4 ] 42 | Página
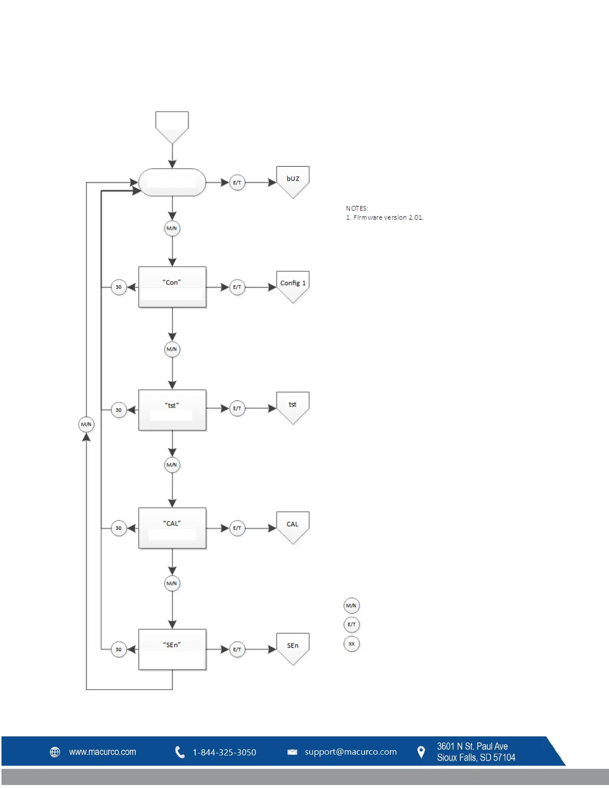
9 Apéndice B: Estructura de menús
9.1 Menú principal
Normal
Modo Normal
Modo Configuración
Modo Prueba
Calibración
Modo Reposición de
sensor
NOTAS:
1. Versión de firmware: 2.01.
NOTAS:
1. Los ajustes de sensor se encuentran
en la hoja de cálculo correspondiente.
Los ajustes que se presenta aquí son solo
para fines de demostración.
2. El color ROJO indica los lugares en los
que se han hecho cambios en la
configuración.
3. Las comillas muestran lo que se
visualiza en la pantalla. Cuando hay
entre comillas dos cadenas separadas
por una barra (por ejemplo " /_On"),
esto indica que la pantalla alterna entre
una y otra cadena.
Botón Menú/Siguiente
Botón Entrar/Prueba
Espere XX segundos

Table of Contents

Related product manuals