EasyManua.ls Logo

Macurco CX-6 - Gas Testing; Testing the Fan Relay

Macurco CX-6
165 pages
Print Icon
To Next Page IconTo Next Page
To Next Page IconTo Next Page
To Previous Page IconTo Previous Page
To Previous Page IconTo Previous Page
Loading...
Macurco CX-xx Manual (Rev-1.0) Eng
REV 1.0 [34-2900-0512-0 ] 36 | Page
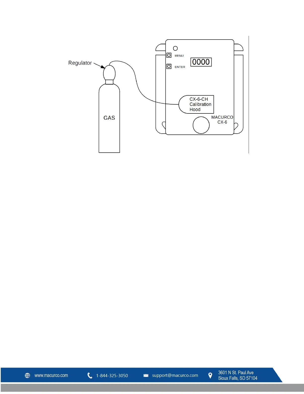
Figure 7–1 Calibration Kit Connection
7.3 Gas Testing
7.3.1 Testing the Fan Relay
1. Remove the Philips screw on the front of the CX-xx. Remove the front cover.
2. Open the FCK. Connect the gas cylinder to the regulator.
3. Check the pressure gauge on the regulator. If you have 25-psi or less, you will need to replace the gas
canister.
4. Assemble the regulator, hose, and Calibration Hood and place the Calibration Hood over the sensor to be
tested.
NOTE: The time to activate the Fan Relay depends on the Fan Relay Delay “Frd” setting.
5. Turn on the regulator to start the gas flow and wait with the gas applied continuously.
6. With the display function turned “On”, the CX-xx will flash between the current concentration of CO and
NO
2
, or “0” (zero) in clean air. When the gas concentration reaches the Fan Relay setting, the display will
flash between “FAn” and current gas reading”. With the display function turned” Off”, the display does not
show the gas concentration, but will show “FAn” while the fan relay is activated.
NOTE: If the Fan Relay does not close within 2 minutes, there are four possibilities:
a. Gas cylinder is empty, check the pressure gauge. Replace the gas cylinder if 25psi or less.
b. Unit needs to be re-calibrated (go through recalibration and re-test).
c. Detector needs servicing (return unit to factory for servicing).
d. The detector has the Fan Relay set to disable (diS) or a concentration level higher than the test
gas. Set the Fan Relay to a gas concentration lower than the test gas and repeat the test.
7. Remove the gas from the sensor. Proceed to test the Alarm Relay or replace the top cover.

Table of Contents

Related product manuals