EasyManua.ls Logo

Macurco CX-6 - Terminal Connections Overview; 6-Series Low Voltage Terminal Connections

Macurco CX-6
165 pages
Print Icon
To Next Page IconTo Next Page
To Next Page IconTo Next Page
To Previous Page IconTo Previous Page
To Previous Page IconTo Previous Page
Loading...
Macurco CX-xx Manual (Rev-1.0) Eng
REV 1.0 [34-2900-0512-0 ] 18 | Page
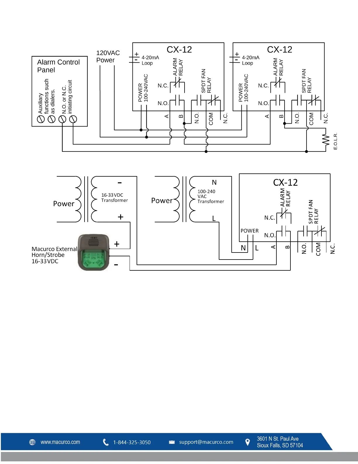
Figure 3–17 12-Series Alternate Alarm Panel
Figure 3–18 12-Series Horn & Strobe Combo Wiring
Macurco External Horn/Strobe model number is HS-X, where X represents lens color, R for red lens cover, G for
green lens cover, B for blue lens cover, A for amber lens cover, C for clear lens cover. Sound pressure for
Horn/Strobe model is at least 85dB at 10 feet.
3.3 Terminal Connection
3.3.1 6-Series Low Voltage
Except for the safety ground, all field wiring is completed via modular connectors (provided). After wiring, simply
plug the modular connectors into the matching connectors on the back side of the detector.
NOTE: 22 to 12 AWG wire shall be used. Wire used shall meet the temperature range of the detector i.e. 0°F to 125°
F (-18°C to 52°C).

Table of Contents

Related product manuals