EasyManua.ls Logo

Macurco CX-6 - Prueba del Relé de Ventilador; Pruebas de Gas

Macurco CX-6
165 pages
Print Icon
To Next Page IconTo Next Page
To Next Page IconTo Next Page
To Previous Page IconTo Previous Page
To Previous Page IconTo Previous Page
Loading...
Macurco CX-xx Manual (Rev-1.0) Spa
REV.: 1.0 [34-2900-0513-4 ] 36 | Página
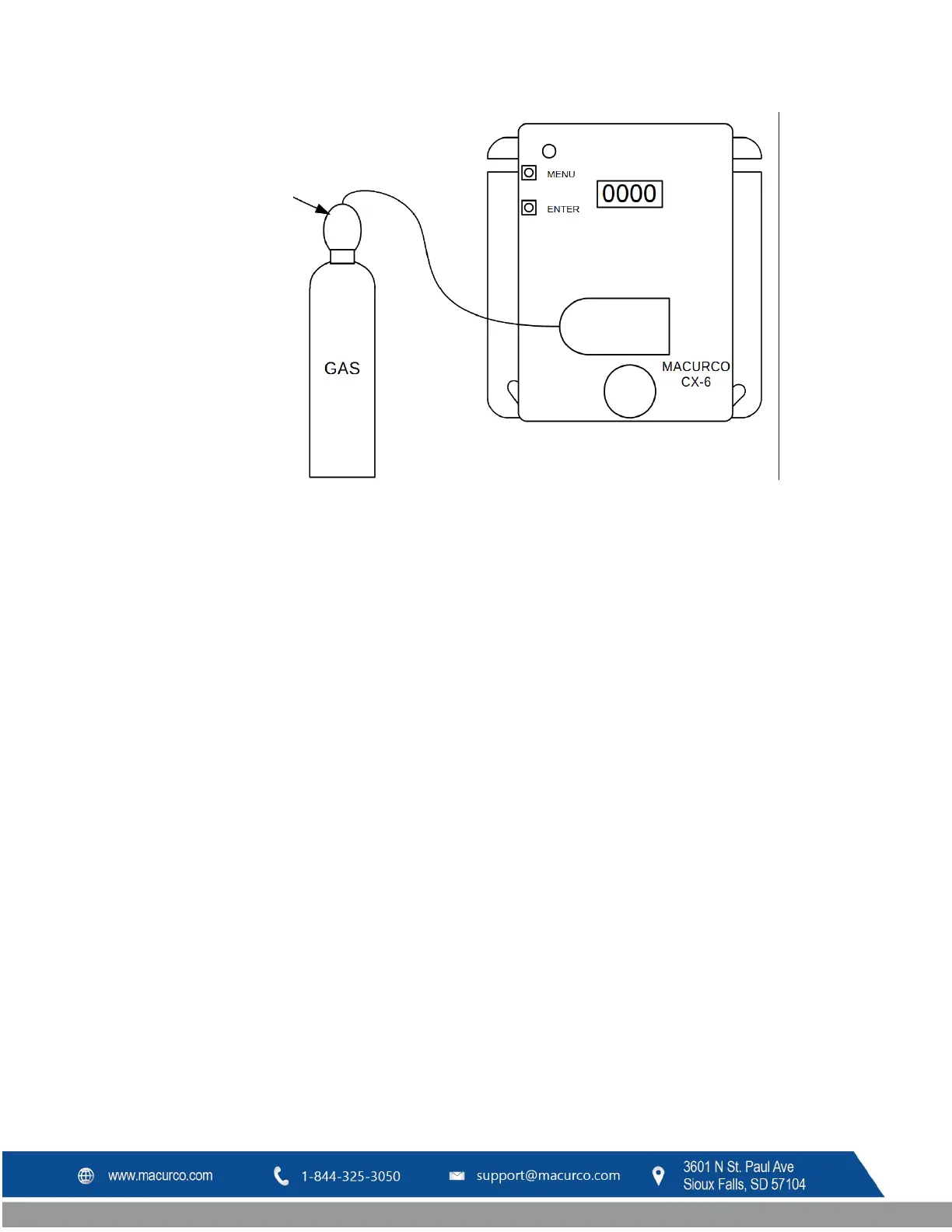
Figura 7–1 Conexión del kit de calibración
7.3 Pruebas de gas
7.3.1 Prueba del relé de ventilador
1. Quite el tornillo Phillips del frente del CX-xx. Retire la cubierta frontal.
2. Abra el FCK. Conecte el cilindro de gas al regulador.
3. Compruebe la lectura del medidor de presión del regulador. Si la indicación es 25 psi o menor, se debe reemplazar el
recipiente de gas.
4. Ensamble el regulador, manguera y campana de calibración y coloque esta última sobre el sensor a probar.
NOTA: El tiempo necesario para la activación del relé de ventilador depende del valor de ajuste del "Retardo del relé de
ventilador" ("Frd").
5. Encienda el regulador para iniciar el flujo de gas y espere con el gas aplicado de manera continua.
6. Con la función de visualización en "Enc." ("On"), el CX-xx destella entre la concentración actual de CO y la de NO
2
, o
"0" con aire limpio. Cuando la concentración de gas alcance el valor de ajuste del relé de ventilador, la pantalla
destella entre "FAn" y la lectura de gas actual. Con la función de visualización en "Apag." ("Off"), la pantalla no
muestra la concentración de gas pero muestra "FAn" mientras esté activado el relé de ventilador.
NOTA: Si el relé de ventilador no se activa dentro de los 2 minutos, existen cuatro posibilidades:
a. El cilindro de gas está vacío; compruebe la lectura del medidor de presión. Si la lectura es 25 psi o menor,
reemplace el cilindro de gas.
b. La unidad debe recalibrarse (pasar por la recalibración y una nueva prueba).
c. El detector necesita servicio (regresar la unidad a la fábrica para el servicio).
d. El detector tiene ajustado el relé de ventilador en "Deshabilitado" ("diS") o en un nivel de concentración
mayor que el gas de prueba. Ajuste el relé de ventilador en una concentración de gas menor que la del gas de
prueba y repita la prueba.
7. Extraiga el gas del sensor. Continúe con la prueba del relé de alarma o vuelva a colocar la cubierta superior.
Regulador
Campana de
calibración
CX-6-CH

Table of Contents

Related product manuals