EasyManua.ls Logo

Macurco CX-6 - Menu Sen

Macurco CX-6
165 pages
Print Icon
To Next Page IconTo Next Page
To Next Page IconTo Next Page
To Previous Page IconTo Previous Page
To Previous Page IconTo Previous Page
Loading...
Macurco CX-xx Manual (Rev-1.0) Fre
RÉV. 1.0 [34-2900-0513-4 ] 54 | Page
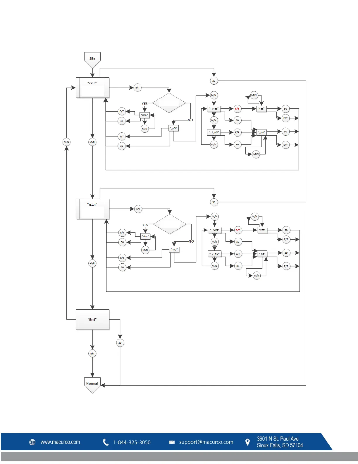
9.6 Menu SEn
Réinitialise
l'expiration du
capteur de CO
Réinitialise
l'expiration du
capteur de N02
Réinitialisation
terminée?
Réinitialisation
terminée?

Table of Contents

Related product manuals