EasyManua.ls Logo

Macurco CX-6 - Page 156

Macurco CX-6
165 pages
Print Icon
To Next Page IconTo Next Page
To Next Page IconTo Next Page
To Previous Page IconTo Previous Page
To Previous Page IconTo Previous Page
Loading...
Macurco CX-xx Manual (Rev-1.0) Fre
RÉV. 1.0 [34-2900-0513-4 ] 46 | Page
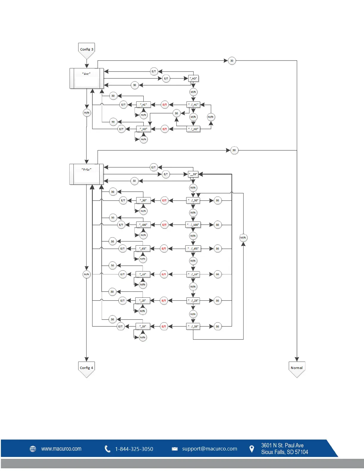
Configuration du
relais d’alarme
Réglage du relais
de ventilateur de
CO
Passer au réglage actuel nO
dans le présent exemple
Passer au réglage actuel 35
dans le présent exemple

Table of Contents

Related product manuals