EasyManua.ls Logo

Man E0836 LE202

Man E0836 LE202
82 pages
To Next Page IconTo Next Page
To Next Page IconTo Next Page
To Previous Page IconTo Previous Page
To Previous Page IconTo Previous Page
Loading...
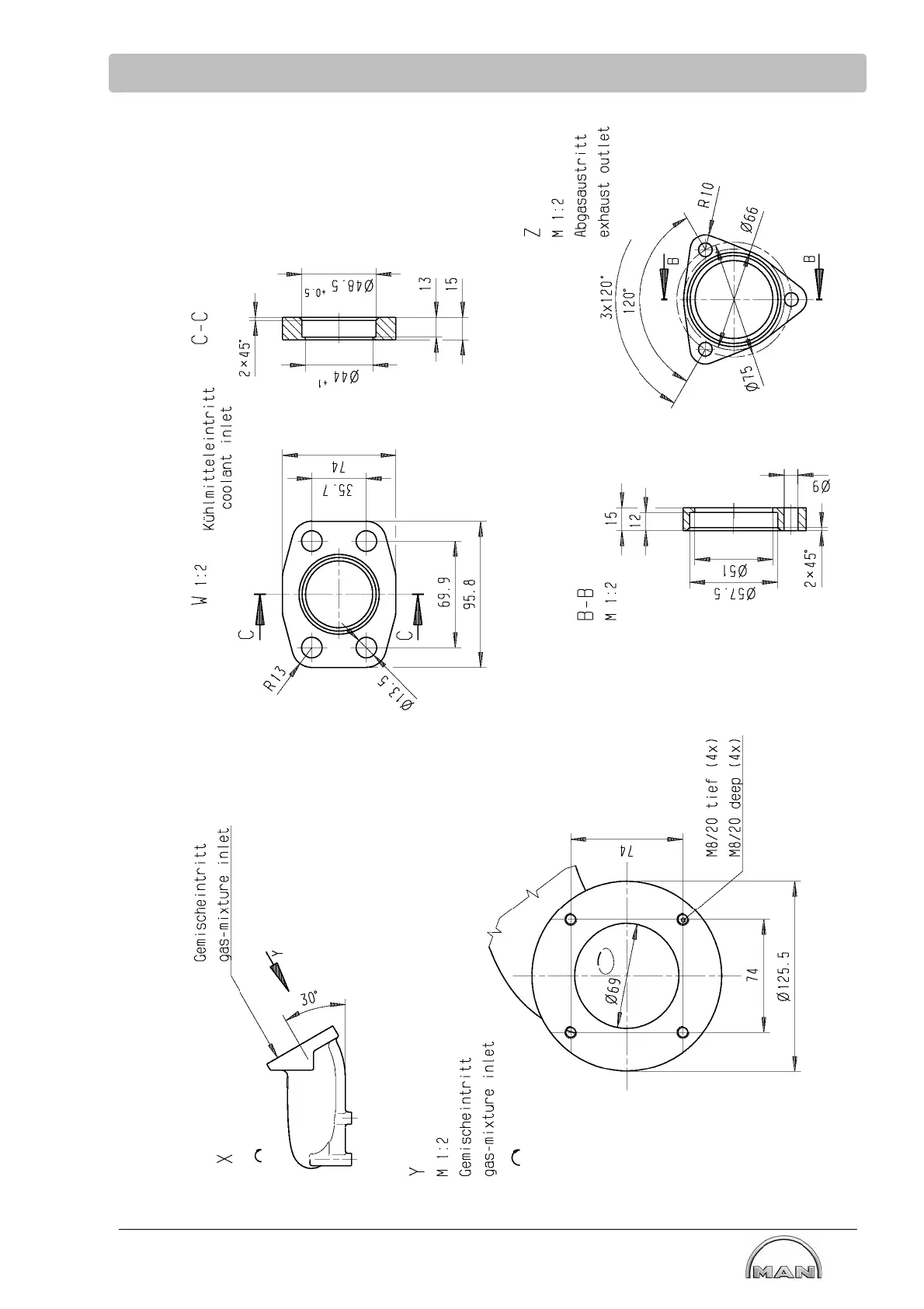
Installation Drawings of the Engine E0836 LE202
69
Identification no. of installation drawing: 51.00506-7817 “B”,
drawn November 3, 2005

Table of Contents

Other manuals for Man E0836 LE202

Related product manuals