EasyManua.ls Logo

Marantz CD6006 - Component Identification; Front Panel Layout

Marantz CD6006
64 pages
Print Icon
To Next Page IconTo Next Page
To Next Page IconTo Next Page
To Previous Page IconTo Previous Page
To Previous Page IconTo Previous Page
Loading...
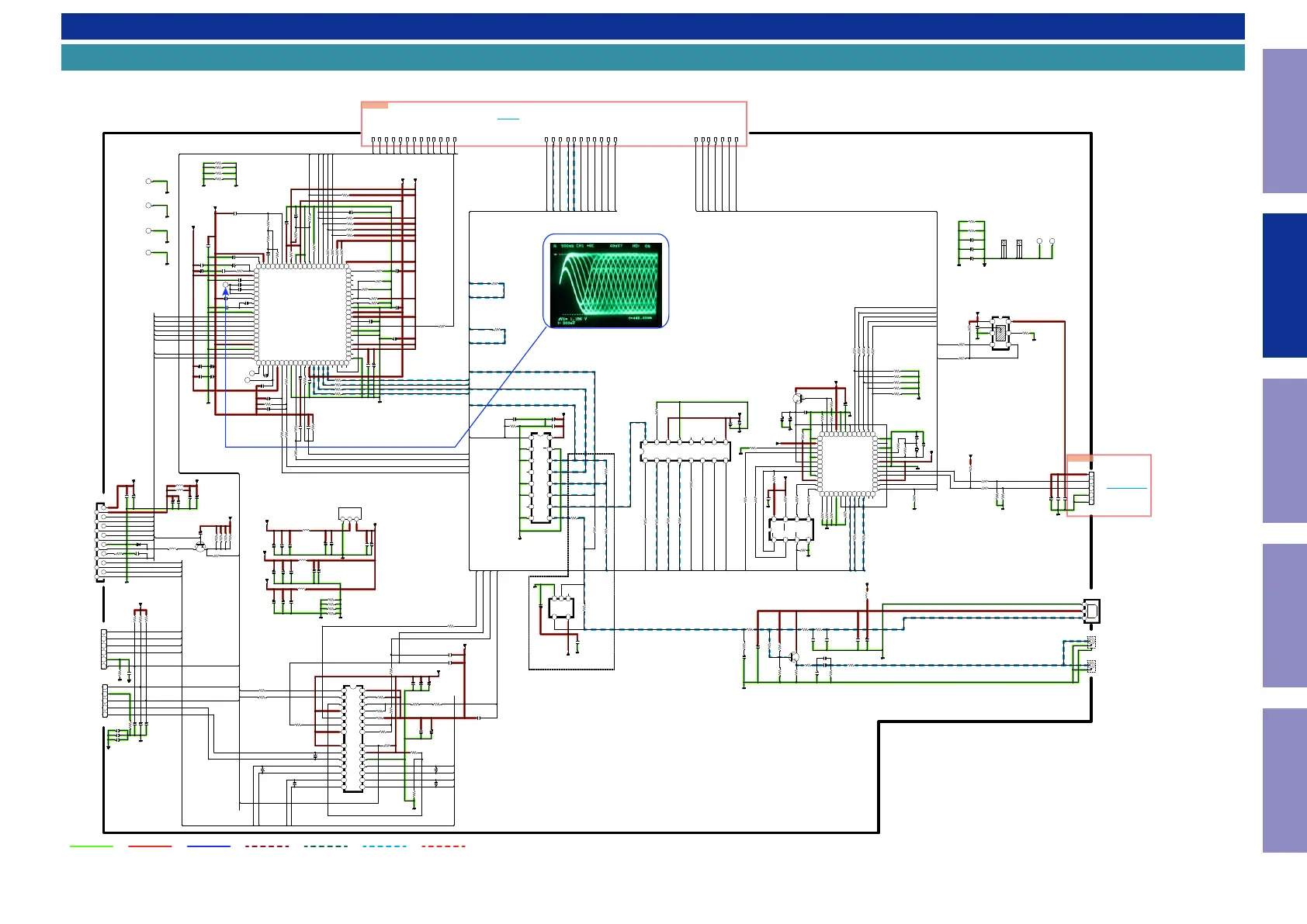
SCHEMATIC DIAGRAMS
SCH01_MAIN_CD_DSP_USB
GND LINE
POWER- LINE
POWER+ LINE
ANALOG AUDIO R ANALOG AUDIO L
DIGITAL AUDIO
STBY POWER
AVSS3
TEI
AVDD3
FOO
TRO
FMO
DMO
VCOI
VSS
XVSS3
XI
XO
XVDD3
DVSS3
RO
DVDD3
LO
DVSS3-2
VDD1-2
/SRAMSTB
/RST
BUS2/SO
BUS3/SI
BUCK
/CCE
TEST
MSDOUT
AIN
BCK1
LRCK1
VDD1-3
VSS4
PDO
TMAX
LPFN
LPFO
PVREF
VCOF
SLCO
RFI
RFRPI
RFEQO
VRO
RFO
AGCI
TSETR
RVDD3
LDO
MDI
RVSS3
FNI2
FNI1
FPI2
FPI1
TPI
TNI
DVDD3-2
VSS
VDD1-2
VDDM1
PIO0
PIO2
PIO1
PIO3
BICK
SDTI
LRCK
CD DSP
MS2
S0
SL+
SL_IN
SL-
VREF
T_IN
TR+
TR-
CLO
OPO
CLIN
F+
F_IN
OPIN
GND
SP_IN
SP+
SP-
MUTE
F-
VCC2
VCC1
LD_CTL
MOTOR DRIVE IC
SPINDLE+
SPINDLE-
SLED-
SLED+
MGND
LMSW
LOADING-
L
OADING+
MGND
CLSW
OPSW
GND <-> CHGND
+5VD_USB
GND_USB
D+
D-
GND_USB
OUT
ILIM
IN
GND_D
EN FLAG
VC
VCC
E
D
A
B
C
F
GND
LD
VR
MO
FO+
TR+
TR-
FO-
OPTICAL OUT
uPD63530
MCLK
BICK
SDTI1
LRCK
PDN
CSN
CCLK
CDTI
TEST1
TEST2
TEST3
TEST4
VSS
VDD
CDTO/SDTI2
TX
MC_SCK
MC_SI
MC_SO
CTS
RTS
DVDD
DGND
IOGND
IOVDD
SD_CD
OREG
REGSEN
REGGND
IREG
I.C
RESET
DGND
DVDD
SF_SI
SF_CS
IOGND
IOVDD
SF_SCK
SF_SO
SD_SI
SD_SCK
SD_SO
DGND
DVDD
SD_CS
DOUT
IBCK
DVDD
ILRCK
MCK
ACKO
USB_ON
USB_OCI
VDDQ
USB_DM
USB_DP
GNDQ
IOVDD
XTAL
XTAL
IOGND
PLLVDD
PLLGND
TO FRONT BN1101
TO CD
TO CD LOAD
TO CD
CS
SO
WP
GND SI
SCK
HOLD
VCC
COAXIAL OUT
SEL VCC
1A
1B
1Y
2A
2B
2Y
GND
ST
4A
4B
4Y
3A
3B
3Y
C138
390P
C139
390P
R119
0
C136
0.033
C137
5600P
C127
2200P
C126
0.1
R113
220
C134
0.01
C130
0.01
C125
0.015
C133
0.1
C128
OPEN
C131
4700P
C132
0.1
C118
0.1
R117
OPEN
80
79
78
77
76
75
74
73
72
71
70
69
68
67
66
65
64
63
62
61
6059585756555453525150494847464544434241
40
39
38
37
36
35
34
33
32
31
30
29
28
27
26
25
24
23
22
21
20 19 18 17 16 15 14 13 12 11 10 987 654 3 2 1
IC100
TC94A92FG_CU
C119
10V/100uF
C142
OPEN
T101
T102
T103
C122
0.1
C123
6.3V/1000uF
C120
6.3V/1000uF
C124
0.1
C121
0.1
C145
0.1
R140
33
R138
100
R137
100
R139
100
C151
0.1
C173
6.3V/220uF(PVWZ)
R155
0
C150
22P
C159
0.1
C162
0.1
R153
OPEN
R152
47K
R151
47K
R147
100K
R149
100K
C158
0.1
R141
10K
R132
0
R134
0
C149
1000P
R143
OPEN
R144
OPEN
R145
OPEN
R146
OPEN
R128
15K
R127
33
R121
10K
C140
0.1
R115
15K
R116
330K
C135 0.015
R114
47K
C129
47P
R122
0
R126
0
R123
0
R118
2.2K
R120
2.2K
C143
6800P
C146
6800P
R129
OPEN
C106
0.1
C108
6.3V/470uF
R100
91
D100
1SS355
C109
0.1
L101
CLZBLM21PG221SN1
L102
CLZBLM21PG221SN1
C114
0.1
C113
10V/100uF
C116
0.1
C117
10V/100uF
L100
HLQ10E100KRZ
R106
39
Q100
KTA1504SYRTK
R109
1K
R107
39
R108
39
R110
39
C115
10V/100uF
2827262524232221201918171615
14 13 12 11 10 9 8 76543 2 1
IC101
BA5810FM
R130
1.8K
C155
OPEN
C147
1000P
C157
0.1
R168
0
R105
18K
R104
18K
R103
18K
C111
0.1
C112
0.1
C110
0.1
C103
0.1
C104
0.01
C105
1000P
R111
0
R170
0
C107
OPEN
R101
0
R102
0
C148
OPEN
C144
OPEN
R131
27K
C153
0.1
R135
10K
R124
4.7K
C156
OPEN
R159
27K
R125
4.7K
C141
OPEN
R158
1.8K
C164
1000P
C161
0.1
C163
10V/100uF
R157
47K
C160
6.3V/220uF(PVWZ)
C154
10V/100uF
R150
12K
161514131211109
8 7 6 5 4 3 2 1
IC102
TC74VCX157FT
C167
0.1
C166
25V/47uF
C165
1000P
R161
10K
R165
47
R163
47
R167
0
R166
22
C183
100P
R173
1.8K
R174
3.9K
R172
2.2K
R181
220
R183
10
R180
220
R182
68
R184
220
R185
0
TX
VIN
VCC
GND
321
K100
CJSJST1124
K101
CJJ4M085Z
Q101
KTC3875SYRTK
L107
CLZBLM21PG221SN1
C193
OPEN
C196
12P
C197
0.1
C194
OPEN
C195
10V/1uF
C199
6.3V/1000uF
C168
10V/100uF
C
172
0.1
C176
1000P
C170
10V/100uF
C174
0.1
C178
1000P
C171
10V/100uF
C175
0.1
C179
1000P
L103
CLZBLM21PG221SN1
L105
CLZBLM21PG221SN1
L106
CLZBLM21PG221SN1
C182
0.01
C184
0.1
C185
10V/100uF
C186
0.1
C192
10V/100uF
C191
0.1
R112
0
R171
0
C210
0.1
C211
0.1
C212
0.1
R215
0
R214
0
R188
33
C215
0.1
R213
27
R212
27
R216
15K
R217
15K
C216
0.1
654
321
IC106
NCP380HMU15AATBG
R218
100K
R136
10K
R142
10K
R204
10K
R205
10K
R206
10K
R207
10K
R202
33
R201
33
R200
33
R199
33
R198
33
R203
10K
X100
48MHz
C205
10P
C204
10P
R195
10K
R211
OPEN
R192
10K
R193
10K
R196
10K
R197
10K
R186
1K
123456789101112
13
14
15
16
17
18
19
20
21
22
23
24
25 26 27 28 29 30 31 32 33 34 35 36
37
38
39
40
41
42
43
44
45
46
47
48
IC105
UPD63530
AGAGAM-AX
R194
10K
C203
0.1
R191
10K
R190
10K
R189
10K
1 2 3 4 5 6 7 8
910111213141516
IC104
CVIAK4104ET-E2
C198
0.1
C200
10V/47uF
R175
OPEN
R219
15K
C102
0.1
R376
0
R377
0
1
2
3
4
5
6
7
8
9
10
11
12
13
14
15
16
PFCK10
CJP16GA193ZY
R385
0
R383
0
R384
0
C201
25V/47uF
C208
10V/100uF
R169
0
R220
0
R221
0
R154
0
R160
0
R379
0
R208
100K
C206
10V/1uF
C202
6.3V/220uF(PVWZ)
R231
1M
B101
CJT1A026
B102
CJT1A026
1 2 3 4
5678
IC107
CVIMX25L8006EM2I-12G
R228
33
R227
33
R226
10K
R224
33
R225
10K
R223
10K
C222
0.1
R229
10K
R230
330
IN
OUT
GND
321
IC103
LM1117S15
Q102
CVT2SD1584Z
R234
0
3
OUT Y
IN A
GND
VCC NC
2
4
5 1
IC108
OPEN
C101
0.1
R235
OPEN
R236
OPEN
1 2 3 4 5 6
CWC100
CJP06GA208ZY
12345
CWC101
CJP05GA208ZY
123 4 5
CN1101
CJP05GA208ZY
R162
10K
R164
10K
R237
0
R238
10K
R239
0
R240
10K
R187
0
R209
0
K102
OPEN
Z101
C207
OPEN
Z102
Z103
C187
10V/100uF
C188
OPEN
C189
OPEN
Z104
W101
OPEN
W102
OPEN
+3.3V_D2
GND_DA
VREF
GND_D
1
CD_SPDIF
CD_SDATA
1
CD_SCLK
CD_LRCK
+1.5V_D1 +3.3V_D1
VREF
GND_DA
+3.3V_D2
2
C
A
D
B
F
E
+3.3V_D2
3
+3.3V_D
GND_DRV
GND_DA GND_D
CHGNDGND_DRV
CHGND
VREF
+5V_DRV
5
GND_DRV
+3.3V_D1
GND_D
GND_D
GND_D
+5V_D
+1.5V_D1
+3.3V_D2
+3.3V_D
GND_D
GND_DA GND_D
[1,2]INSW
[1,2]CLSW
[1,2]
OPSW
[1,2]LD_CHK
CHGNDGND_D
GND_D
+5V_D
CD_USB
[1,2]
CD_USB
[1,2]
DATA0
+3.3V_D1
+5V_D
GND_D
GND_D
GND_D
+3.3V_D1
+3.3V_D1
USB_RTS
USB_CTS
USB_SO
USB_SI
USB_SCL
[1,2]
DRVMUTE
[1,2]
OPEN
[1,2]CLOSE
[1,2]
USB_CTS
[1,2]USB_RTS
USB_DATA
GND_D
GND_D
GND_D
GND_D
GND_D
GND_D
+3.3V_D1
USB_DATA
DIT_CSN
DIT_CCLK
DIT_CDTI
[1,2]USB_SO
USB_OC
USB_EN
USB_OC
DIT_PDN
[1,2]USB_MCK
[1,2]
DIT_PDN
[1,2]
DIT_CDTI
[1,2]
DIT_CCLK
[1,2]
DIT_CSN
[1,2]
BOL_RST
DSP_MCK
BUS2
BUS3
BUCK
CCE
DECRST
[1,2]
BUS3
[1,2]BUS2
[1,2]
DS
P_MCK
[1,2]
BUCK
[1,2]
CCE
[1,2]DECRST
[1,2]
USB_SCL
[1,2]
USB_SI
MO
LD
DMO
FMO
TRO
FOO
E
D
A
B
C
F
LD_CHK
LD
FO+
MO
TR+
TR-
FO-
SP+
SP-
INSW
CLSW
OPSW
DATA0
CD_SPDIF
USB_DATA
CD_SDATA
+3.3V_D1
FMO
DMO
FOO
CD_LRCK
CD_SCLK
BCK0
LRCK0
[1,2]
LRCK0
[1,2]BCK0
CD_SCLK
BCK0
CD_LRCK
LRCK0
LRCK0
BCK0
USB_MCK
GND_D
BOL_RST
+3.3V_D1
GND_D
USB_WP
[1,2]USB_WP
GND_D
USB_WP
USB_EN
[1,2]USB_EN
USB_EN
GND_D
CLOSE
OPEN
FO-
FO+
TR-
TR+
TRO
DRVMUTE
[1,2]
USB_OC
USB_OC
GND_D
+3.3V_D1
GND_D
SP+
SP-
SL-
SL+
SL+
SL-
GND_D
GND_DA
GND_D
GND_D
RFEQO
CN1101
TO BN1101
A0
TO 0A
7
Caution in
servicing
Electrical Mechanical Repair Information Updating

Other manuals for Marantz CD6006

Related product manuals