EasyManua.ls Logo

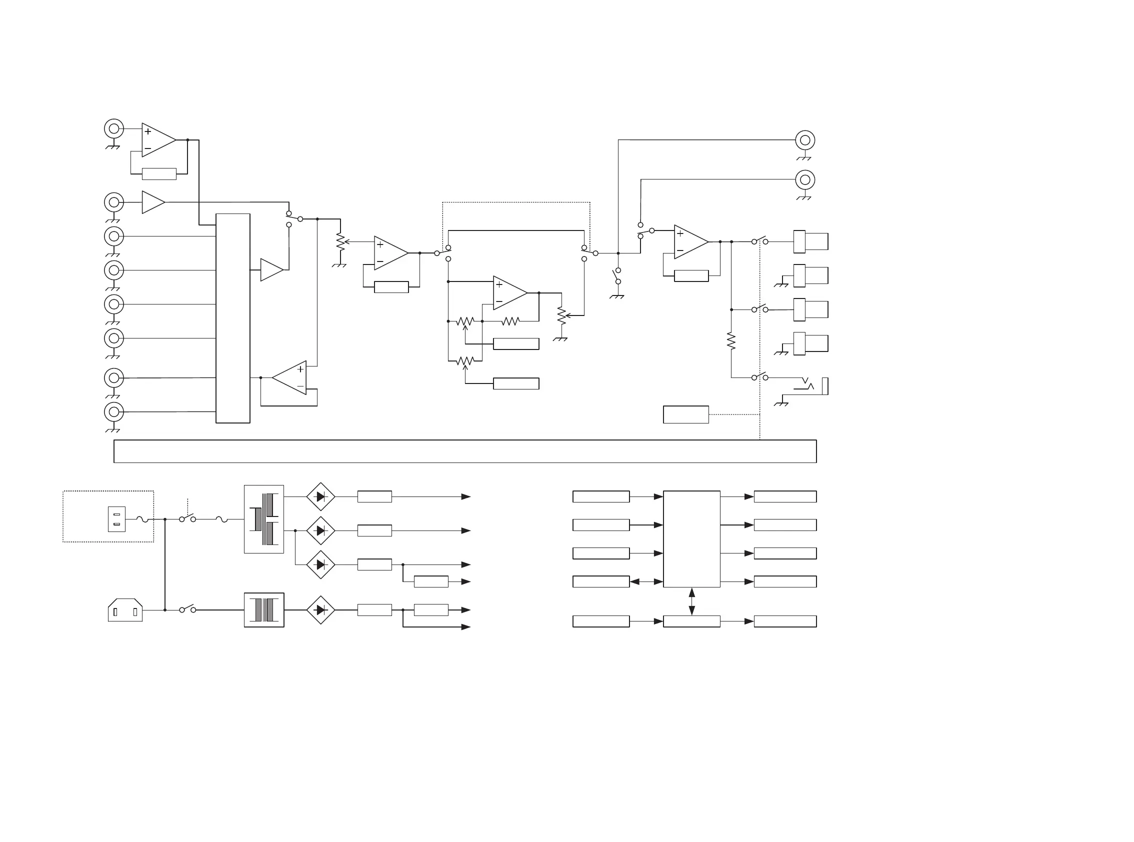
Marantz PM8003 - Block Diagram

Marantz PM8003
62 pages
Print Icon
To Next Page IconTo Next Page
To Next Page IconTo Next Page
To Previous Page IconTo Previous Page
To Previous Page IconTo Previous Page
Loading...
2827
RIAA
INPUT SERECTOR
REC OUT SELECTOR
NFB
TREBLE
BASS
NFB
R-CH
PROTECION
CIRCUIT
5V
±50V
24V
±18V
POWER AMP
PRE AMP
RELAY
12V
µ-COM
RELAY
PHONO
CD
TUNER
AUX / DVD
RECORDER-1
IN
RECORDER-2
IN
RECORDER-1
OUT
RECORDER-2
OUT
PRE OUT
SPEAKER-A
(+)
SPEAKER-B
(-)
HEADPHONE
POWER
ON/OFF
STANDBY
RELAY
PROTECTION
POWER DETECT
CONTROLLER INDICATION LED
FUNCTION RELAY
RC5
I/R SENSOR
EEPROM
RC5 IN/OUT
µ-COM
STANDBY RELAY
INPUT SELECTOR
AC IN
FUSE
MAIN TRANS.
SUB TRANS.
VOLUME
BALANCE
SOURCE DIRECT
MUTE
POWER AMP
DIRECT
CD
DIRECT
5V
INDICATOR
CD DIRECT
BUFFER
LINE BUFFER
FUSE
AC OUTLET
JAPAN VERSION ONLY
SPEAKER-B
(+)
SPEAKER-B
(-)
REC BUFFER
7. BLOCK DIAGRAM

Other manuals for Marantz PM8003

Related product manuals