EasyManua.ls Logo

Marantz PM8003 - Page 32

Marantz PM8003
62 pages
Print Icon
To Next Page IconTo Next Page
To Next Page IconTo Next Page
To Previous Page IconTo Previous Page
To Previous Page IconTo Previous Page
Loading...
3635
VIN
GND
VOUT
VSS
XIN
XOUT
TEST
VDD
PROT-1
PROT-2
RESET
P_OFF
SPK_OUT
RC-5_OUT
VOL_UP
VOL_DWN
DI
P_ON
CLK
CE
I2C_CLK
I2C_DATA
N.C
SO_DI
PA_DI
RC-5_IN
BOOT-2/TXD
BOOT-1/RXD
TACT
M_B_DOWN
ENC-1
ENC-2
MODEL_SELE
KILL_IR
M_MUTE
NC
VAREF
AVDD
AVSS
LED_STD
LED_PHONO
LED_CD
L ED_TUNER
LED_AUX/DVD
LED_REC1
LED_REC2
LED_MUTE
A
B
A+B
OFF
(MN)
4
6
5
(MN)
1
3
2
2
1
1
-18V
2
+18V
3
R
4
A-GND
5
L
(B
)
3 1
2
6
5
123
(B )
6
4
5
123
4
3
1234
2
3
1
4
1234
5 6 7 8
6
5
7
8
6
5
7
4
(B )
64
5
1
2
3
2
3
1
8
8
7
1
2
3
4
5
6
7
8
9
10
11
12
13
14
15
16
17
18
19
20
21
22
23
24
25
26
27
28
29
30
31
32
33
34
35
36
37
38
39
40
41
42
43
44
(B)
3 1
2
2
3
1
4
1
R
2
A-GND
3
L
6
5
7
8
1
RC-5
2
P_DWN
3
+5VD
4
P_ON
5
+5VL
6
GND
7
P_OFF
8
ICE4
9
RXD
10
TXD
1
CE
2
DATA
3
CLK
4
CD-DI
5
MUTE
6
SPK
7
SO_DI
8
PA_DI
9
PROT-2
10
PROT-1
11
SPL
12
D-GND
STANDBY
12
1234
12
3
1
3
4
5
2
PA_DI
1 2
TUNER
1 2
AUX/DVD
1 2
RECORDER-2
1 2
SO_DI
1 2
PHONO
1 2
MUTE
1 2
CD
1 2
RECORDER-1
1 2
1
123
1
2
3
4
1
2
3
4
5
6
1
2
3
4
5
6
7
8
9
10
11
12
1
2
3
4
5
6
7
8
9
10
11
12
1
2
3
4
5
6
1 2 3 4
5678
1
2
3
1
5V
0V
8.0 MHz
MOT
-
MOT+
MUTE
REC2
REC1
TUNER
AUX
CD
HP
TACT
PHONO
TUNER
AUX
REC1
REC2
MUTE
CD
PA_DI
SO_DI
MUTE
IR
REC2
REC1
AUX
TUNER
CD
PHONO
IR
SPK_A
SPK_B
TACT
SPK_A
SPK_A
SPK_B
SPK_B
TACT
PA_DI
SO_DI
PHONO
CD
TUNER
AUX
REC1
REC2
MUTE
IR
HP
HP
IR
PHONO
PA_DI
SO_DI
SO_DI
PA_DI
5.6k
20k
2.7k
20k
1.2k
10
100k
47k
10k
100p 0.01u
4.7k
220u/10V
2.7k
100p
56k
22u/16
10k
2.7k
56k
10u/25
100
100k
2.2
0.1u
1.5k
33k
10u/25
0.068
0.1u
47k
0.01u
100
47k
47k
56k
100k
0.01u
100u/25V
100p
100p
2.2u/50
10k
100p
0.1u
100u/25V
10
2.2u/50
22u/16
47k
1.2k
10u/25
18k
47k
33k
100
0.1u
10k
47k
0.068
47k
47k
22u/16
56k
22u/16
0.01u
47k
0.01u
2.7k
1.2k 1.2k
100p
47k
100k
3.3k
10k
10k
0.1u
47k
0.1u 0.1u
0.1u
0.1u
0.1u
33k 33k
0.1u
0.1u
47k
47k
33k
2.2K
10K
3.9 K
0.01u
330
330
330
330
330
10k
330
10k
10k
0.1u
0.1u
10k
0.1u
0.1u
10k
0.1u
0.1u
220
0.1u
10k
NC
0.1u
220
10k
10k
330
220u/10V 100
0.01u
10u/25
10u/25
10k
10k
10k
47k
10k
47k47k
47k
0.1u
N.C
N.C
RU45
R215
R205
R215
R218
R223
R212
LU31
S181
W201
RU28
R207
C205 C211
RU07
DU81
CU73
QU73
QU74
R209
C203
R220
JU04
C208
R207
W191
R206
R222
W181
CU31
R214
R211
RU83
CU32
R191
R204
CU82
C218
CU07
RU26
Q203
C182
QU81
R213
QU45
RU47
RU23
Q204
R219
Q201
RU46
CU81
C210
C216C206
C214
R208
C215
CU45
QU72
C209
QU03
R224
C213
QU10
C201
DU71
RU24
R273
CU33
RU73
Q201
QU01
RU27
R203
RU75
CU06
R208
Q204
RU74
C217
QU75
W202
RU02
RU72
Q203
C202
R221
C207
C181
RU01
JU01
JU02
C212
D191
JU03
R210
R274 R217
LU32
XU01
C204
QU41
RU43
RU42
RU41
RU82
RU81
QU46 QU42
CU41
RU25
CU46 CU42
CU04
CU03
CU13
R202 R201
QU11
CU01
CU02
RU21
RU22
RU44
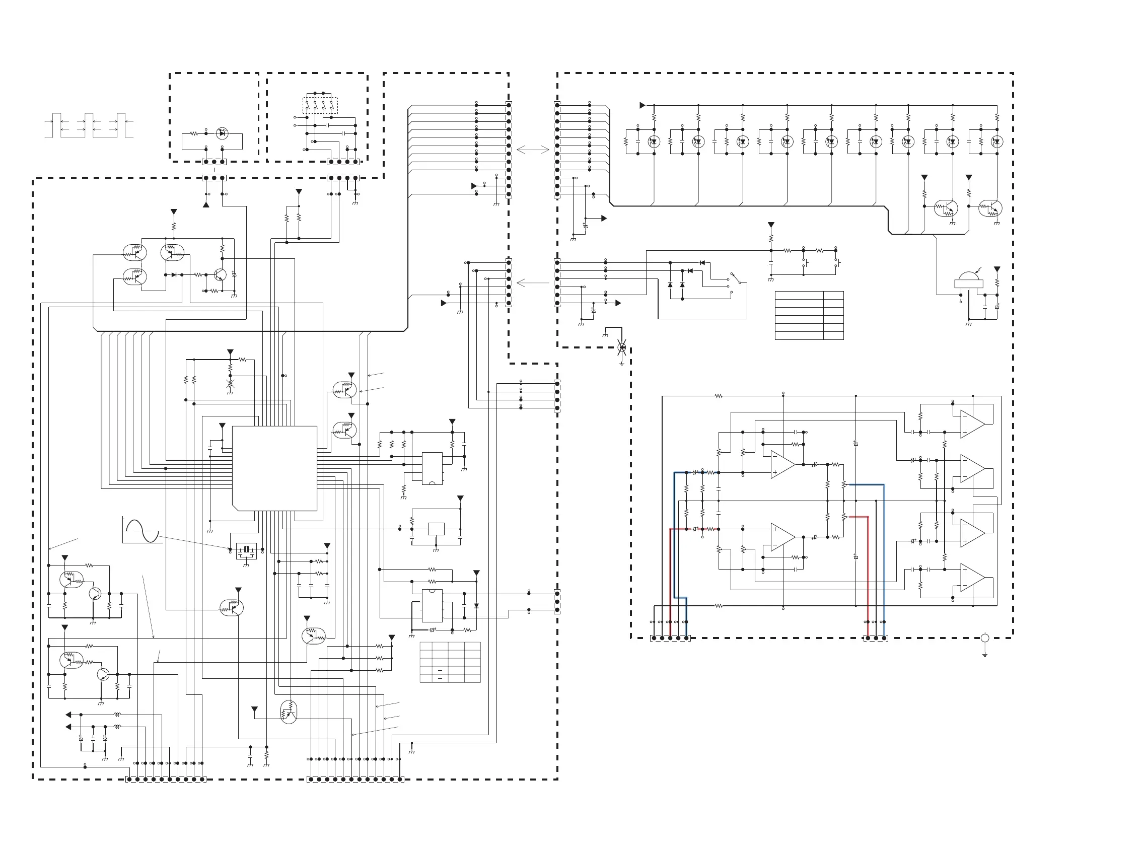
TPZ424
S261
R262
S262
R261
R263
C261
S271
D272
D274
D271
D273
R246
Q232
R244
R242
Q231
R240
R241
D238
R231
R243
R234
D233
R238
C234
D234
C233
R232
D236
C232
D239
C235
R236
D231
C236
D237
C238
R247
C239
R239
R237
C231
R248
D232
D235
R233
R235
R245
W205
C251 R251
C252
Q251
C241
C240
JU07
W203
J201JU05
JU06
RU31
RU30
RU29
RU11
RU05
RU04
QU02
RU06
RU03
CU05
QU12
R249
R250
WU01
QU05
QU04
W204
1D3
KRA102M
KRA102M
NJM2068DD
LB1630
KTC3199
NJM2068DD
NJM2068DD
KRA102M
PST600D
KRA102M
NJM2068DD
TMP86FH47UG
NJM2068DD
KTC3199
NJM2068DD
SLI-325URT31W
CST8.0MHZ
KTC3199
5VD
5VL
KRA102M
D-GND
5VL
5VL
5VD
D-GND
KRA102M
D-GND
5VL
D-GND
D-GND
D-GND
D-GND
D-GND
5VL
D-GND
D-GND
D-GND
5VL
D-GND D-GND
5VD
D-GND
D-GND
5VL
KRA102M
5VL
5VL
5VL
D-GND
5VL
1D3
1D3
1D3
1D3
KRC102M
KRC102M
SELT2E10C-S
SELT2E10C-S
D-GND
SELT2E10C-S
SELT2E10C-S
SELT2E10C-S
SELT2E10C-S
LT3D8B
5VD
SELT2E10C-S
SELT2E10C-S
EARTH
D-GND
5VL
IR SENSOR
D-GND
D-GND
D-GND
D-GND
5VL
5VD
5VD
D-GND
5VL
D-GND
5VL
5VD
AT24C08AN
D-GND
D-GND
5VL
KRA102M
5VL
5VD5VD
KRA102M
KRA102M
5VL
5VL
EARTH
POWER DIRECTSOURCE DIRECT
PM7003
J282
STANDBY LED PWB
TREBLE BASS
J861
PM8003
TONE PWB
TO STANDBY PWB
BASS
INPUT SEL PWB
TO MAIN PWB J901
TO MAIN PWB
J281
TO MAIN PWB
TREBLE
P181
P201
P191
1
.8V
5V
5V
0V
0V
0V
5V
0V
5V
0.6V
0V
POWER ON:0V
CD:0V
CD:5V
5V
5V
4.3V
3.4 V
3.4V
-17V
17V
-16.5V
0V
0V
0V
0V
0V
0V
16.5V
0V
0V
0V
0V
0V
0V
0V
0V
0.6V
5V
5V
TO VOLUME PWB
J591
3.9 V2.RESERVED
6.RESERVED
3.RESERVED
0.9 V
1.OFF (PULL UP)
1.9 V
0V
2.9 V
5.0 V
4.POWER AMP DIRECT
PIN26 A/D VOLTAGE
5.SOURSE DIRECT
TO SPK TERMINAL PWB
SPEAKER SW
J755
AUX:0V
CD:0V
REC1:0V
MUTE:0V
REC2:0V
PHONO:0V
TUNER:0V
5V
PU01
U-COM PWB
W005
W007
W009
W011
0V
5V
1mS
7mS 7mS
1mS 1mS
JU04 3 pin WAVE FORM at STAND BY mode
CLOCK: 8.0 MHz
POWER ON:5V
PHONO:0V
CD:0V
TUNER:0V
AUX:0V
RECORDER1:0V
RECORDER2:0V
MUTE:0V
POWER AMP DIRECT:5V
SOURCE DIRECT:5V
POWER SW ON:5V
L852 RELAY ON:5V
W203
SPEAKER RELAY ON: 5V
PROTECT: 0V
L852: ON
PROTECT-2: 0V ACTIVE
PROTECT-1: 0V ACTIVE
NORMAL:5V
NORMAL:5V
VOL DOWN: 0V
VOL UP: 0V
PIN
1
4
5
8
MOTOR
OFF
3.4 V
3.4 V
VOL
UP
VOL
DOWN
3.4V
3.4V0V
0V
0V
0V
4.2V
4.2V
QU01 2PIN, 3PIN
PU01 U-COM PWB
P191
STANDBY LED PWB
P181
INPUT SELECTOR PWB
P201 TONE PWB

Other manuals for Marantz PM8003

Related product manuals