EasyManua.ls Logo

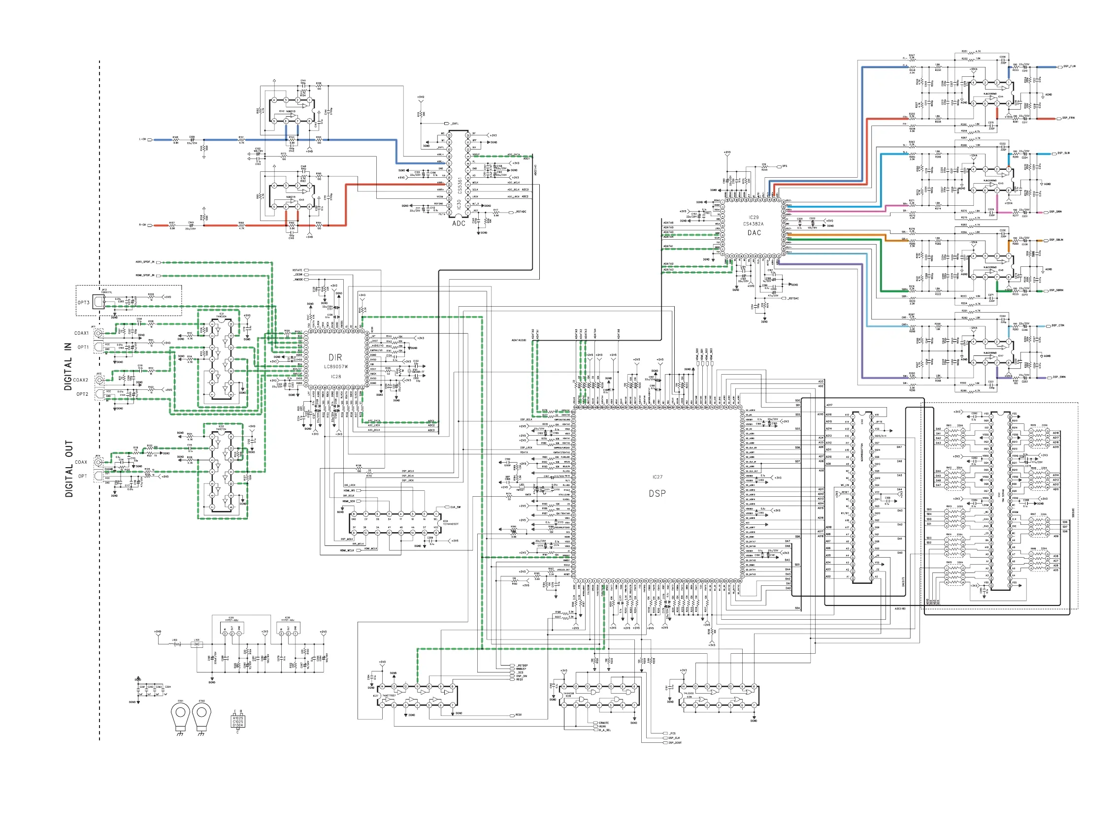
Marantz SR4001 - Input PWB

Marantz SR4001
106 pages
Print Icon
To Next Page IconTo Next Page
To Next Page IconTo Next Page
To Previous Page IconTo Previous Page
To Previous Page IconTo Previous Page
Loading...
19 20
).05407"
32/NLY
32/NLY
&2/-).054
07"
&,
&2
3,
32
3",
3",
#4
37
&2/-).054
07"
4/).054
07"
4/).054
07"
4/).054
07"
4/).054
07"

Other manuals for Marantz SR4001

Related product manuals