EasyManua.ls Logo

Marantz SR7000 - Page 4

Marantz SR7000
40 pages
Print Icon
To Next Page IconTo Next Page
To Next Page IconTo Next Page
To Previous Page IconTo Previous Page
To Previous Page IconTo Previous Page
Loading...
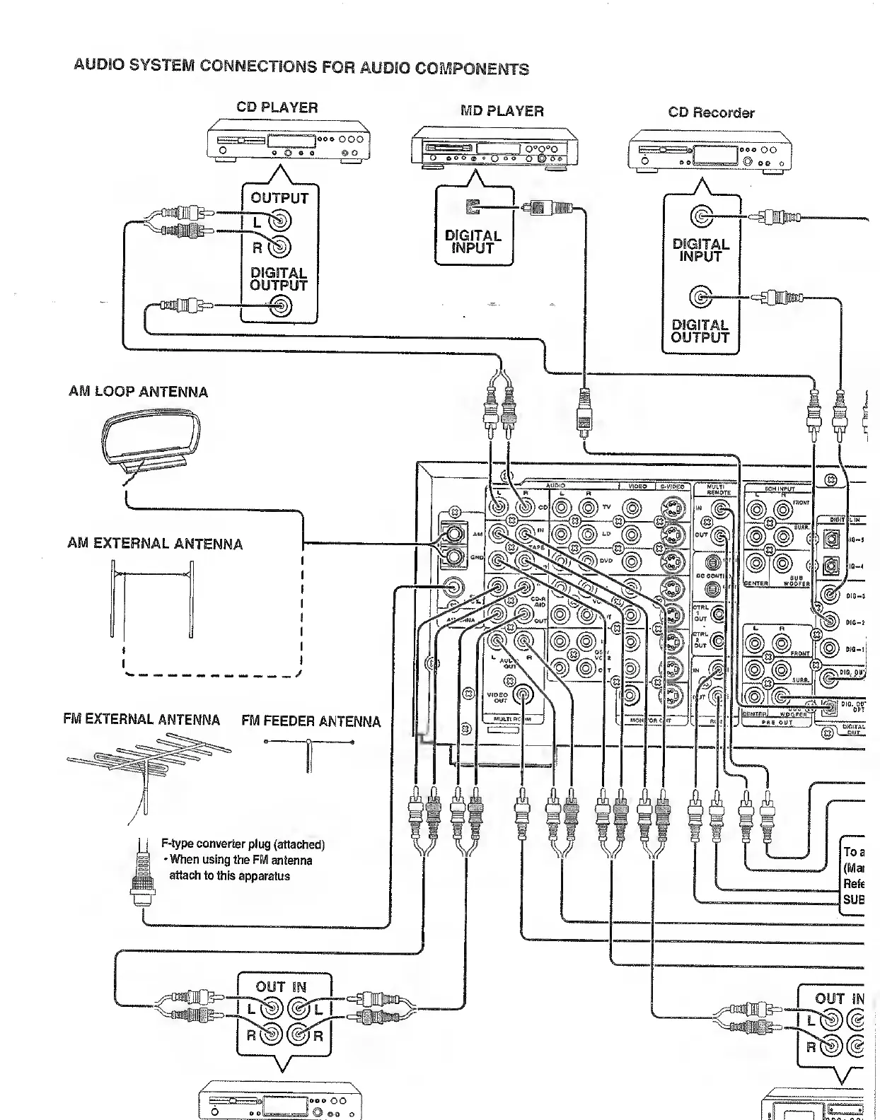
AM
EXTERNAL
ANTENNA
L
F-type
converter
plug
(attached)
When
using
the
FM
antenna
attach
to
this
apparatus

Other manuals for Marantz SR7000

Related product manuals