EasyManua.ls Logo

Marantz SR8001 - Page 75

Marantz SR8001
208 pages
Print Icon
To Next Page IconTo Next Page
To Next Page IconTo Next Page
To Previous Page IconTo Previous Page
To Previous Page IconTo Previous Page
Loading...
85 86
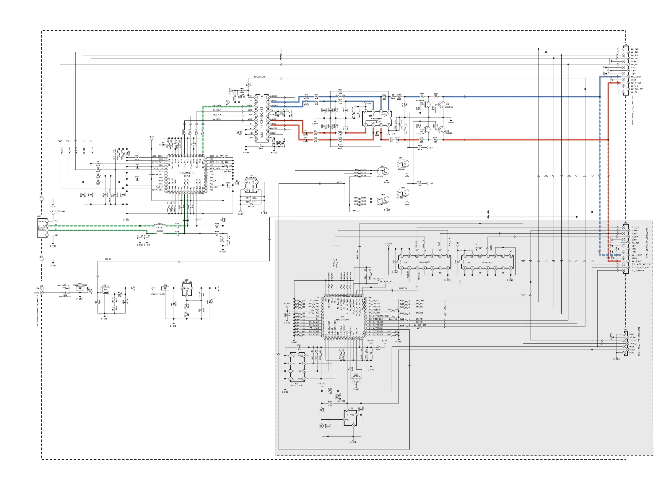
8-2!$)/07"
4/$3007"
&2/-$3007"
.#",/#+

Other manuals for Marantz SR8001

Related product manuals