EasyManua.ls Logo

Marksman X6 - Wiring

Default Icon
27 pages
Print Icon
To Next Page IconTo Next Page
To Next Page IconTo Next Page
To Previous Page IconTo Previous Page
To Previous Page IconTo Previous Page
Loading...
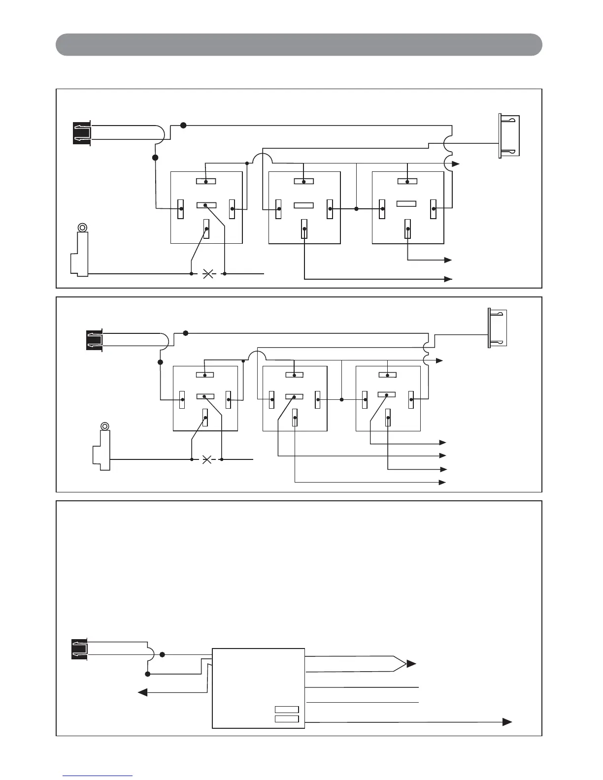
Unlock Driver's Door First Wiring for 3-Wire Positive Door Lock System
87
87A
85
86
30
87
87A
85
86
30
To +12
Volts
(Battery +)
To Power
Door Lock
Switch Lock/
Unlock Wires
Lock
Unlock
87
87A
85
86
30
+ Unlock
Cut
Driver's
Door Motor
White 9-Pin Mini
Connector
Light Blue Wire
Black 3-Pin
Mini Connector
Green Wire
Blue Wire
Unlock Driver's Door First Wiring for 5-Wire Ground at Rest Door Locking Systems
87
87A
85
86
30
87
87A
85
86
30
To +12 Volts
(Battery +)
To Power
Lock Switch
To Power
Lock Motors
Lock
Lock
Unlock
Unlock
87
87A
85
86
30
+ Unlock
Cut
Driver's
Door
Motor
White 9-Pin
Mini Connector
Light Blue Wire
Black 3-Pin
Mini Connector
Green Wire
Blue Wire
10
HC3: Black 3-Pin Door Lock Harness
(continued)
Wiring (continued)
White Wire No Connection
To Vehicles Lock/Unlock Wire
Brown Wire No Connection
Green Wire Lock
Blue Wire Unlock
Violet Wire To +12 Volts or Ground as Required
Lock Fuse 1
Unlock Fuse 2
ALA-DL1
Red Wire
Black Wire
Black 3-Pin
Mini Connector
Green Wire
Blue Wire
Note: Orange wire from ALA-DL1
must be connected to +12V.
Orange Wire
+12 Volts
One Wire Multiplexing Door Locking Systems
Some vehicle’s use one wire to lock and unlock the doors. Some require 2 resistors, one for lock and one for
unlock. We have developed patented plug-in fuse resistors for this application. Simply remove the fuse from
the ALA-DL1 door lock module and replace with correct resistor value fuses that matches the vehicles door
lock switch system.
Wiring:
1. Connect both the green (lock) and the blue (unlock) wires to the vehicles one wire lock/unlock wire.
2. Connect the violet polarity input wire to +12v or to ground. To match vehicles door lock polarity.
3. The white and the brown wires will not be used.
X6-IM.qxp 9/12/2008 1:50 PM Page 10

Related product manuals