EasyManua.ls Logo

Marksman X6 - Wiring

Default Icon
27 pages
Print Icon
To Next Page IconTo Next Page
To Next Page IconTo Next Page
To Previous Page IconTo Previous Page
To Previous Page IconTo Previous Page
Loading...
9
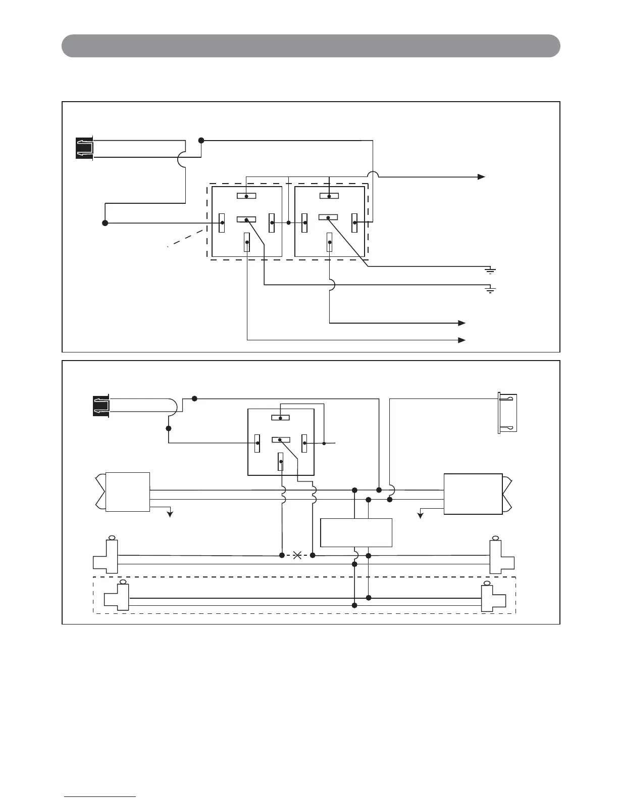
Newly Installed Power Door Lock Motors
87
87A
85
86
30
87
87A
85
86
30
To +12 Volts
(Battery +)
To Ground
To Newly
Installed Power
Door Lock Motors
White Wire
Brown Wire
Green Wire: Lock
Blue Wire: Unlock
Violet Wire
ALA-DL1
Relay Pack
Red Wire: Lock
Black Wire: Unlock
Black 3-Pin Connector
Green Wire
Blue Wire
Note: Orange wire from ALA-DL1
must be connected to +12V
Wiring (continued)
HC3: Black 3-Pin Door Lock Harness
(continued)
Unlock Driver's Door First for 3-Wire Negative Door Lock Systems
Unlock Driver's Door
87
87A
85
86
30
Unlock Wire
Passenger's Door
Lock
Unlock
To +12V or Ground
To +12V or Ground
Driver's Door
Rear Door
Passenger's
Door Switch
Door Lock Relay
Control Module
Lock
Unlock
+12V
ALA984H
Relay
Driver's
Door
Switch
Cut
Black 3-Pin
Connector
Light Blue Wire
White
9-Pin Mini
Connector
Green Wire
Blue Wire
X6-IM.qxp 9/12/2008 1:50 PM Page 9

Related product manuals