EasyManua.ls Logo

Master Apro - Page 67

Master Apro
Print Icon
To Next Page IconTo Next Page
To Next Page IconTo Next Page
To Previous Page IconTo Previous Page
To Previous Page IconTo Previous Page
Loading...
67
A.5
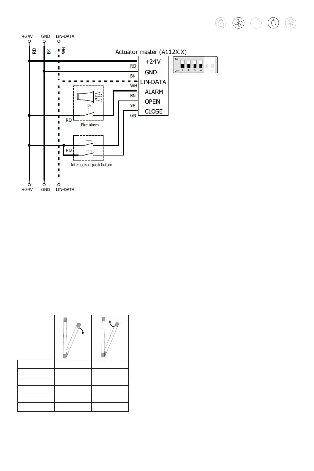
+24V RD RD
GND BK BK
OPEN YE -
CLOSE - GN
LIN-DATA * *
ALARM to fire alarm to fire alarm
master master

Table of Contents

Related product manuals