EasyManua.ls Logo

Mastervolt chargemaster plus 12/100-3

Mastervolt chargemaster plus 12/100-3
31 pages
To Next Page IconTo Next Page
To Next Page IconTo Next Page
To Previous Page IconTo Previous Page
To Previous Page IconTo Previous Page
Loading...
17
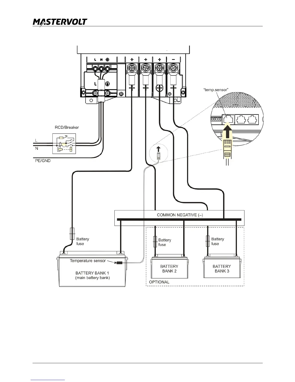
4.7.2 Connection example
This schematic is to illustrate the general placement of the Chargemaster Plus in a circuit. It is not meant
to provide detailed wiring instructions for any particular electrical installation.
Figure 6: installation drawing of the ChargeMaster Plus

Table of Contents

Other manuals for Mastervolt chargemaster plus 12/100-3

Related product manuals