EasyManua.ls Logo

Mastervolt CombiMaster 12V/2000W 100A - 4.3 Recommended Battery Capacity; 4.4 Connection Diagram Example

Mastervolt CombiMaster 12V/2000W 100A
36 pages
Print Icon
To Next Page IconTo Next Page
To Next Page IconTo Next Page
To Previous Page IconTo Previous Page
To Previous Page IconTo Previous Page
Loading...
11
4.3 Batteries
Model
Recommended battery capacity
Minimum based on Mastervolt Gel
batteries. If connecting batteries of a
different manufacturer, make sure the
manufacturer's recommendations are met.
12V/2000W-100A
200 1000 Ah
12V/3000W-160A
320 1600 Ah
24V/2000W-60A
120 600 Ah
24V/3000W-70A
140 700 Ah
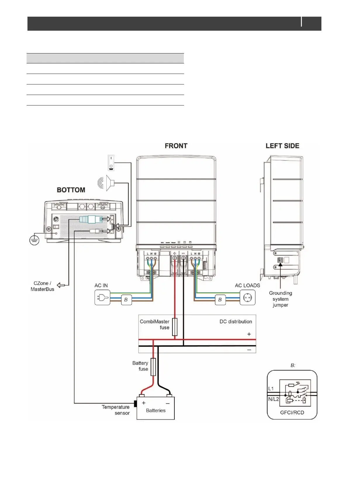
4.4 Connection example
Note: This schematic illustrates the general placement of the CombiMaster Inverter/Charger in a circuit.
It is not meant to provide detailed wiring instructions for any particular electrical installation.
Figure 3: Installation drawing CombiMaster Inverter/Charger

Related product manuals