EasyManua.ls Logo

Mastervolt MASS COMBI 12/1600-60

Mastervolt MASS COMBI 12/1600-60
44 pages
To Next Page IconTo Next Page
To Next Page IconTo Next Page
To Previous Page IconTo Previous Page
To Previous Page IconTo Previous Page
Loading...
INSTALLATION
22 January 2015 / Mass Combi 12/1600-60; 12/2200-100; 24/1800-35; 24/2600-60 / EN
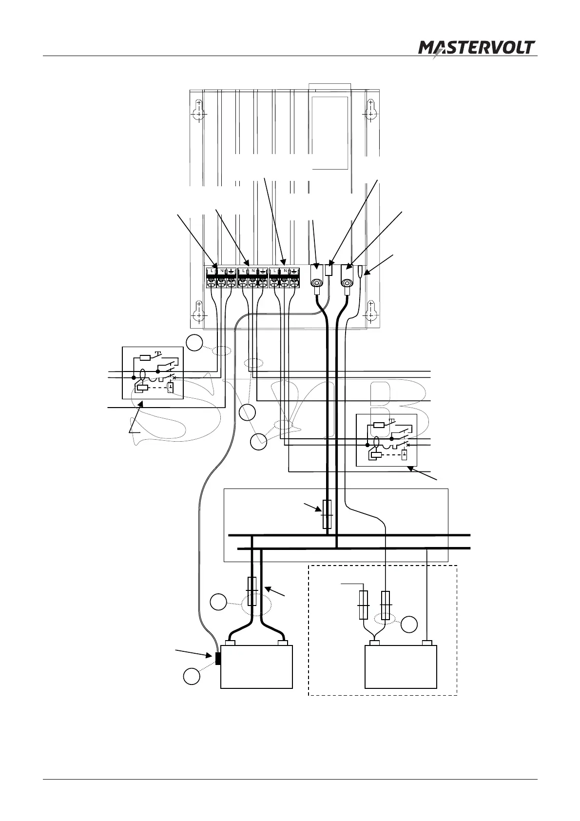
This schematic is to illustrate the general placement of the Mass Combi in a circuit. It is not meant to provide detailed wiring
instructions for any particular electrical installation.
Figure 24: installation drawing for one Mass Combi (stand-alone operation)
+ –
+ –
Starter battery
(optional)
Fuse
25A-T
Battery fuse
Combi fuse
Positive battery
terminal
Negative battery
terminal
Second 5A
charger output
L
N
PE
L
N
PE
+
POWER
DC distribution
To alternator
AC output
SHORT BREAK
AC output
POWER
+ –
Service
Batteries
Temperature
sensor
AC input
SHORT
BREAK
RCD
To AC-loads
OPTIONAL
2
3
4
5
6
L
N
PE
AC INPUT
1
Circuit breaker
Max. 50Amps
RCD 30mA
Connector for
temperature senso
r

Table of Contents

Related product manuals