EasyManua.ls Logo

Matrox Rapixo CXP - Page 35

Matrox Rapixo CXP
76 pages
Print Icon
To Next Page IconTo Next Page
To Next Page IconTo Next Page
To Previous Page IconTo Previous Page
To Previous Page IconTo Previous Page
Loading...
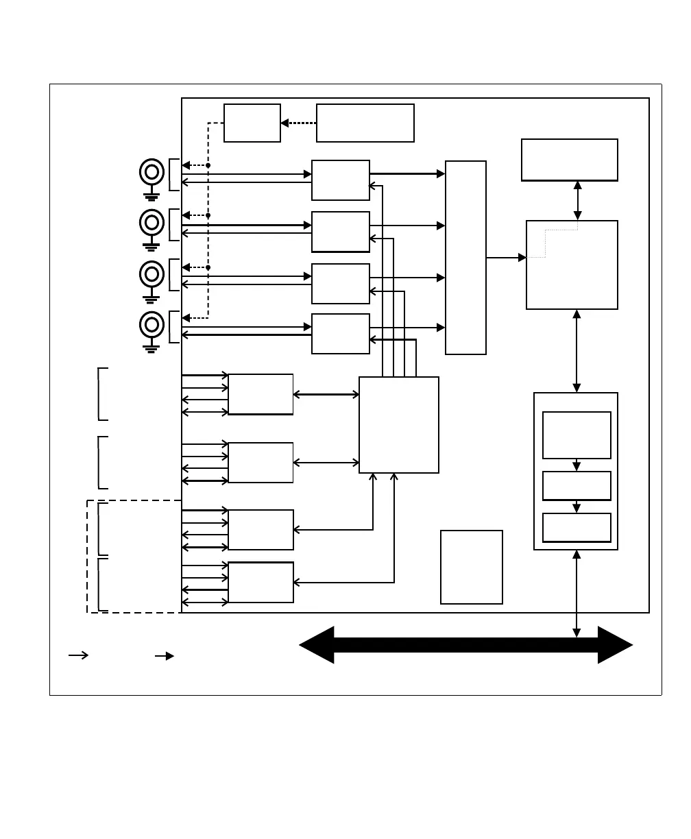
Matrox Rapixo CXP hardware reference 35
LUTs
GPIO
controller
Host e 3.1/2 1 busx8 .PCI
CoaXPress video input
connectors
24 V
12.5 / 6.25 Gbits/s*
41.66 / 20.83 Mbits/s*
Coa ressXP
interface
Coa ressXP
interface
Coa ressXP
interface
Coa ressXP
interface
Opto Aux I (2)n
LVDS Aux In (2)
LVDS Aux Out (1)
TTL Aux I/Os (3)
mDP HD--to 15
adapter cable
mDP HD--to 15
adapter cable
Optional cable
adapter bracket
Auxiliary I/O
interface
Auxiliary I/O
interface
Auxiliary I/O
interface
Auxiliary I/O
interface
Opto Aux I (2)n
LVDS Aux In (2)
LVDS Aux Out (1)
TTL Aux I/Os (3)
Opto Aux I (2)n
LVDS Aux In (2)
LVDS Aux Out (1)
TTL Aux I/Os (3)
Opto Aux I (2)n
LVDS Aux In (2)
LVDS Aux Out (1)
TTL Aux I/Os (3)
Matrox Rapixo CXP
Base Model
Color space
converter &
pixel formatter
Host Interface
8/4 */sGB
full duplex
Bayer decoder
19.2/14.9 */sGB
Memory
Controller
/s8/4 *GB
On-board memory
()DDR SDRAM4
4 GB
DMA Write
Internal auxiliary 12 V
power connector
12 V
Power-over
Coa ressXP
24V
MIL License
Fingerprint
and
supplemental
MIL license
storage
* CXP-12 model / CXP-6 model
I/O data / Image data

Table of Contents