EasyManua.ls Logo

Mattei BLADE 1 - Electrical Wiring

Default Icon
48 pages
Print Icon
To Next Page IconTo Next Page
To Next Page IconTo Next Page
To Previous Page IconTo Previous Page
To Previous Page IconTo Previous Page
Loading...
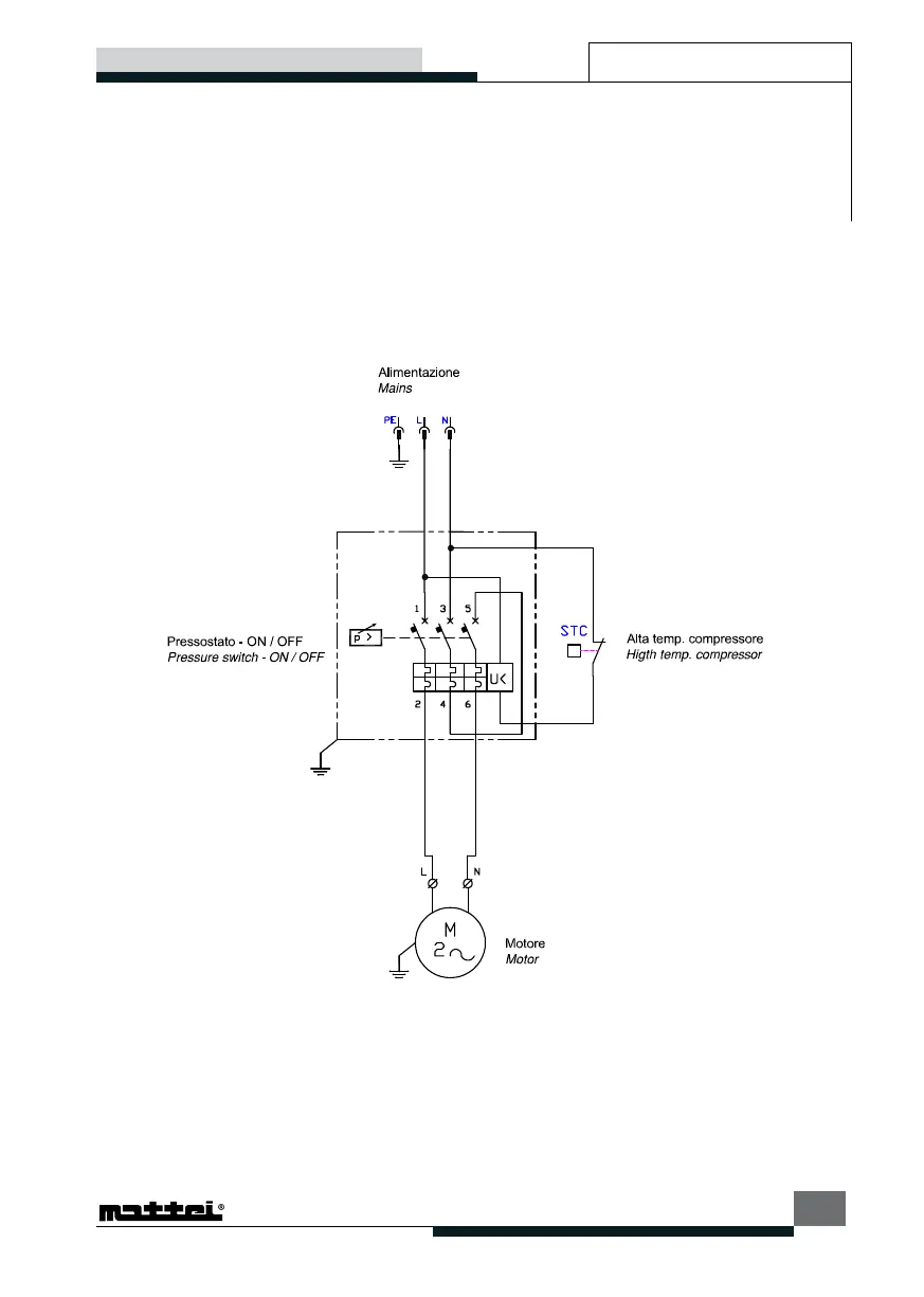
12-6
TI015G0013
BLADE 1-2-3
Single-phase version
ELECTRICAL WIRING
Attachments

Related product manuals