EasyManua.ls Logo

maximal FD100T - IV. Structure, Principle, Adjustment, and Maintenance of Forklift Truck; Power System

Default Icon
115 pages
Print Icon
To Next Page IconTo Next Page
To Next Page IconTo Next Page
To Previous Page IconTo Previous Page
To Previous Page IconTo Previous Page
Loading...
5-10t Internal Combustion Counterbalance Forklift Truck Operation & Maintenance Manual
-
-
IV. Structure, Principle, Adjustment, and Maintenance of Forklift Truck
1. Power System
1.1 Overview
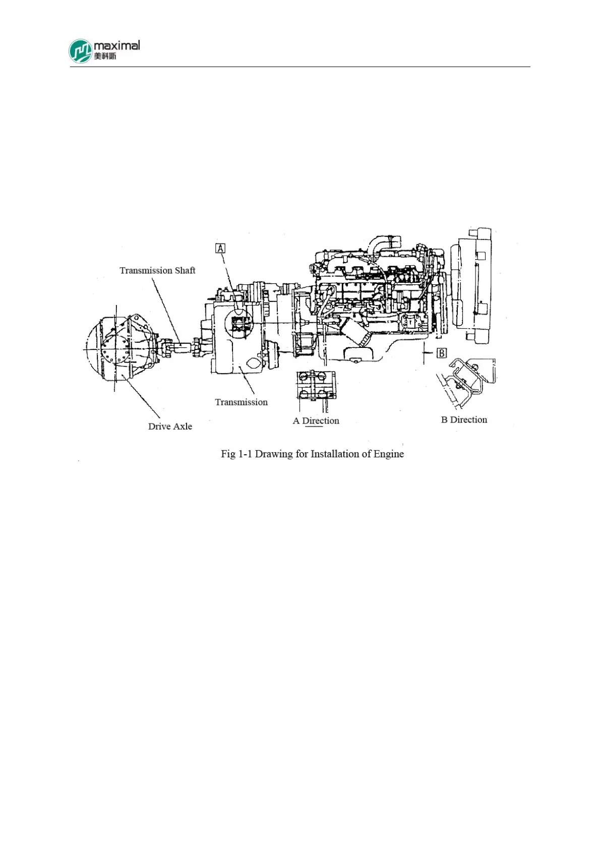
Power system mainly includes engine, fuel system, cooling system, and exhaust system.
Engine is installed on truck frame through rubber pads, to reduce vibration. Engine, torque
converter, transmission, transmission shaft, and drive axle are formed into a unit. Refer to Fig
1-1.

Table of Contents

Related product manuals