EasyManua.ls Logo

maximal FD100T - Page 33

Default Icon
115 pages
Print Icon
To Next Page IconTo Next Page
To Next Page IconTo Next Page
To Previous Page IconTo Previous Page
To Previous Page IconTo Previous Page
Loading...
5-10t Internal Combustion Counterbalance Forklift Truck Operation & Maintenance Manual
-
-
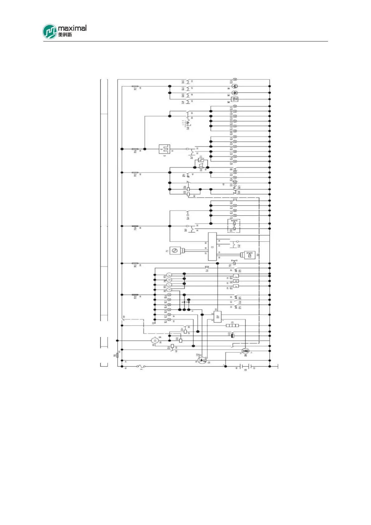
5-7 t MWJ (S6S-T) Electrical Schematic Diagram
Power
Suppl
y
Ignition
& Start
Instrument Indication
Valve Block Control
Acousto
-
Optical Signal & Illumination
Cab Electric Appliance

Table of Contents

Related product manuals