EasyManua.ls Logo

Maxon TE-33 - Hydraulic Schematic (Power Down)

Maxon TE-33
78 pages
Print Icon
To Next Page IconTo Next Page
To Next Page IconTo Next Page
To Previous Page IconTo Previous Page
To Previous Page IconTo Previous Page
Loading...
11921 Slauson Ave. Santa Fe Springs, CA. 90670 (800) 227-4116 FAX (888) 771-7713
72
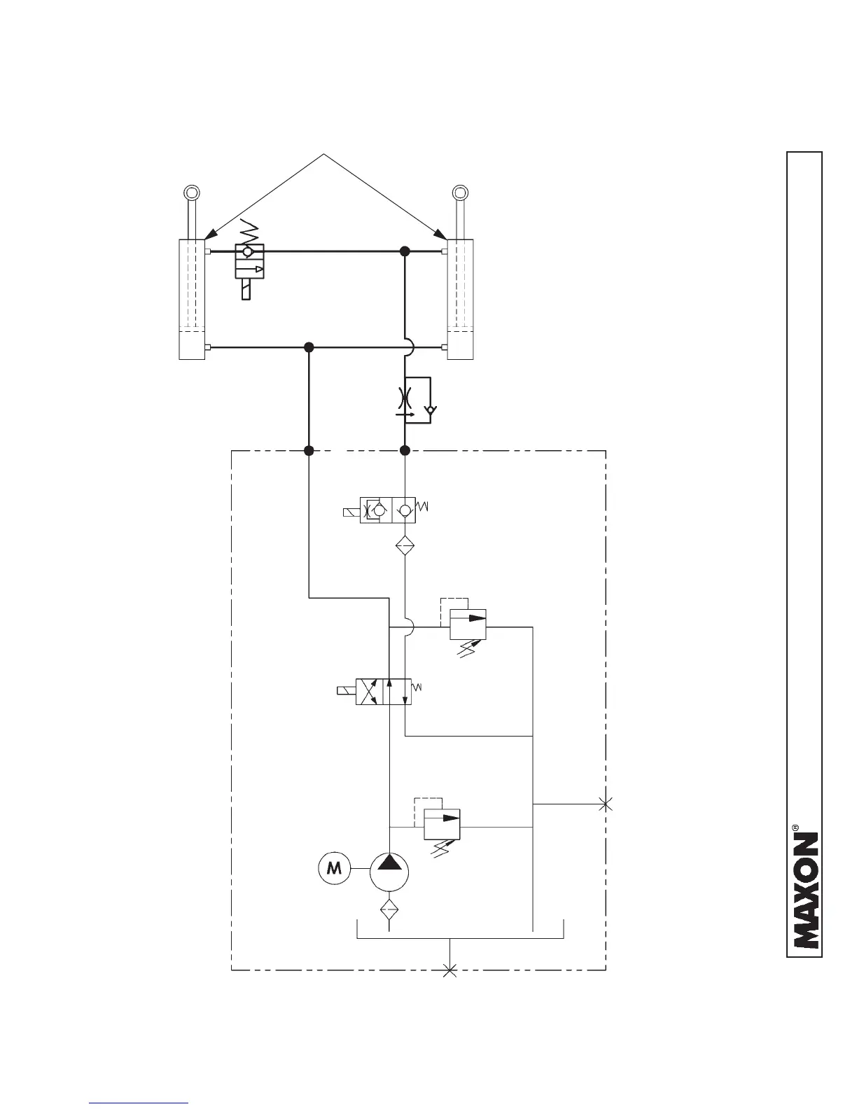
HYDRAULIC SYSTEM DIAGRAMS
FIG. 72-1
HYDRAULIC SCHEMATIC (POWER DOWN)
HYDRAULIC CYLINDERS
PORT B -
POWER DOWN
PORT A - RAISE
RELIEF VALVE 2
(SET AT 1100 PSI)
PUMP
AUX. HAND
PUMP PORT
(PLUGGED)
VALVE “S2”
RESERVOIR
DRAIN HOLE (PLUGGED)
FILTER
MOTOR
(REF)
RELIEF VALVE 1
(SET AT 2750 PSI)
HYDRAULIC
LOCK VALVE
3 GPM FLOW
CONTROL VALVE
FILTER
VALVE “S1”

Related product manuals