EasyManua.ls Logo

Maxon TE-33 - Electrical Schematic (Power Down)

Maxon TE-33
78 pages
Print Icon
To Next Page IconTo Next Page
To Next Page IconTo Next Page
To Previous Page IconTo Previous Page
To Previous Page IconTo Previous Page
Loading...
11921 Slauson Ave. Santa Fe Springs, CA. 90670 (800) 227-4116 FAX (888) 771-7713
73
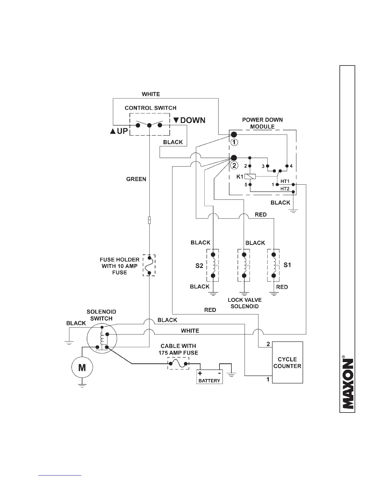
ELECTRICAL SYSTEM DIAGRAMS
ELECTRICAL SCHEMATIC (POWER DOWN)
FIG. 73-1

Related product manuals