EasyManua.ls Logo

McQuay AC 40A - Page 23

McQuay AC 40A
189 pages
Print Icon
To Next Page IconTo Next Page
To Next Page IconTo Next Page
To Previous Page IconTo Previous Page
To Previous Page IconTo Previous Page
Loading...
4) In some instances, variation to method (1) have been used whereby common
headers are NOT installed to the multiple chillers. Instead, the chillers are connected
together with one supply and return pipe only.
This method is still possible but there will be higher pressure drops along the common
pipe lines. It is recommended that a larger pipe size to be used along this common line
to reduce the friction losses.
Water flow rate tends to be faster at the tee nearest to the main supply lines due to
lower friction. Therefore, proper balancing to ensure sufficient distribution to each
chiller is vital.
A First In - Last Out arrangement between the supply and return lines may be
useful to reduce the problem of distribution.
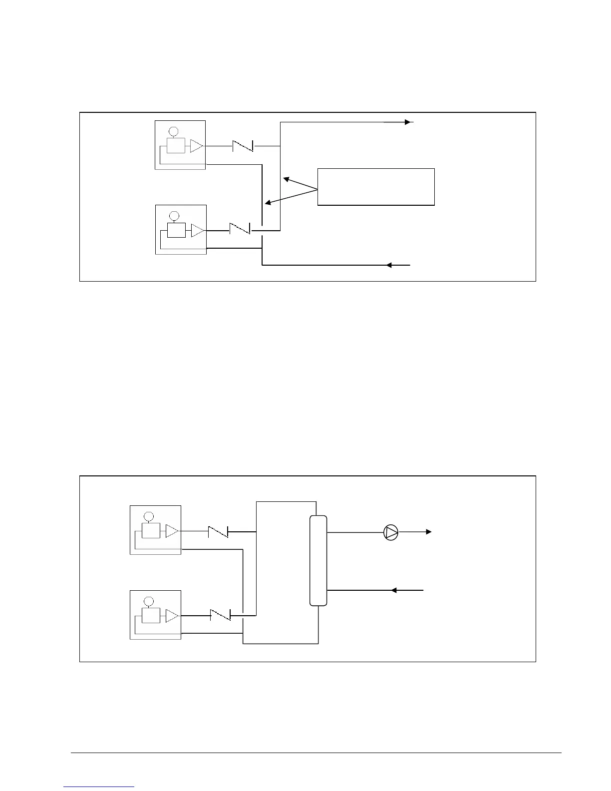
5) Another variation to the primary-secondary system mentioned in (2) above, is to use
an auxillary tank to replace the by-pass loop. By using this tank, we can ensure a
minimal pressure drop between the entry tee and exit tee of the secondary circuit.
This is not a common
header pipe
To load
Return from load
To load
Return from load
A
uxiliar
y
tank
Section 2 Page 21

Related product manuals