EasyManua.ls Logo

McQuay AC 40A - Page 24

McQuay AC 40A
189 pages
Print Icon
To Next Page IconTo Next Page
To Next Page IconTo Next Page
To Previous Page IconTo Previous Page
To Previous Page IconTo Previous Page
Loading...
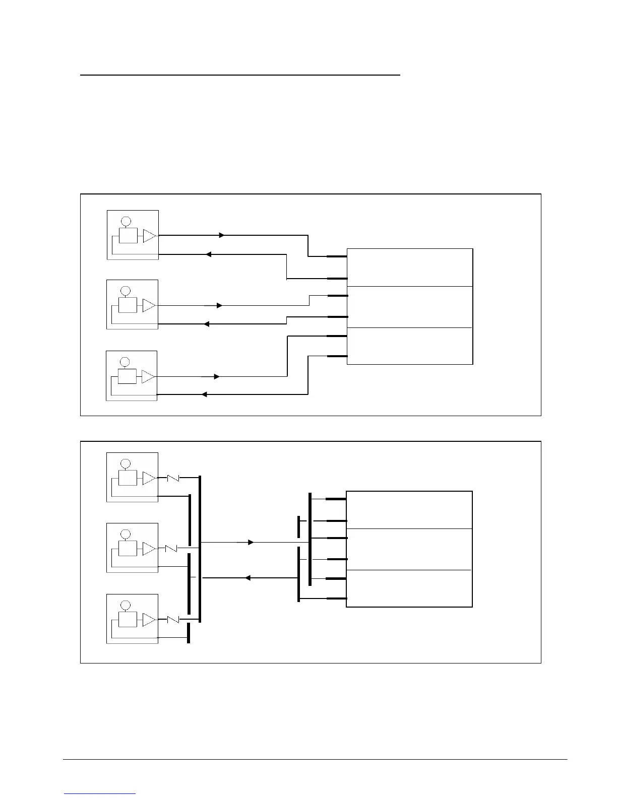
Multiple Chiller, Single Fan Coil Load With Multiple Circuits
There are instances where several chillers are used to supply the chilled water to a large
single fan coil unit. Each chiller will serve one of the multiple circuits of the heat exchanger coil
in the fan coil unit.
There are two ways to install the pipe circuits for this system:
a) Individual Circuiting
b) Common Header
CIRCUIT 1
CIRCUIT 2
CIRCUIT 3
CHILLER 1
CHILLER 2
CHILLER 3
CIRCUIT 1
CIRCUIT 2
Section 2 Page 22

Related product manuals