EasyManua.ls Logo

Mec 1330SE - ElectrCal Harness

Mec 1330SE
100 pages
Print Icon
To Next Page IconTo Next Page
To Next Page IconTo Next Page
To Previous Page IconTo Previous Page
To Previous Page IconTo Previous Page
Loading...
Page 86 1330SE - Service & Parts Manual
November 2019Section 15 - Hydraulics
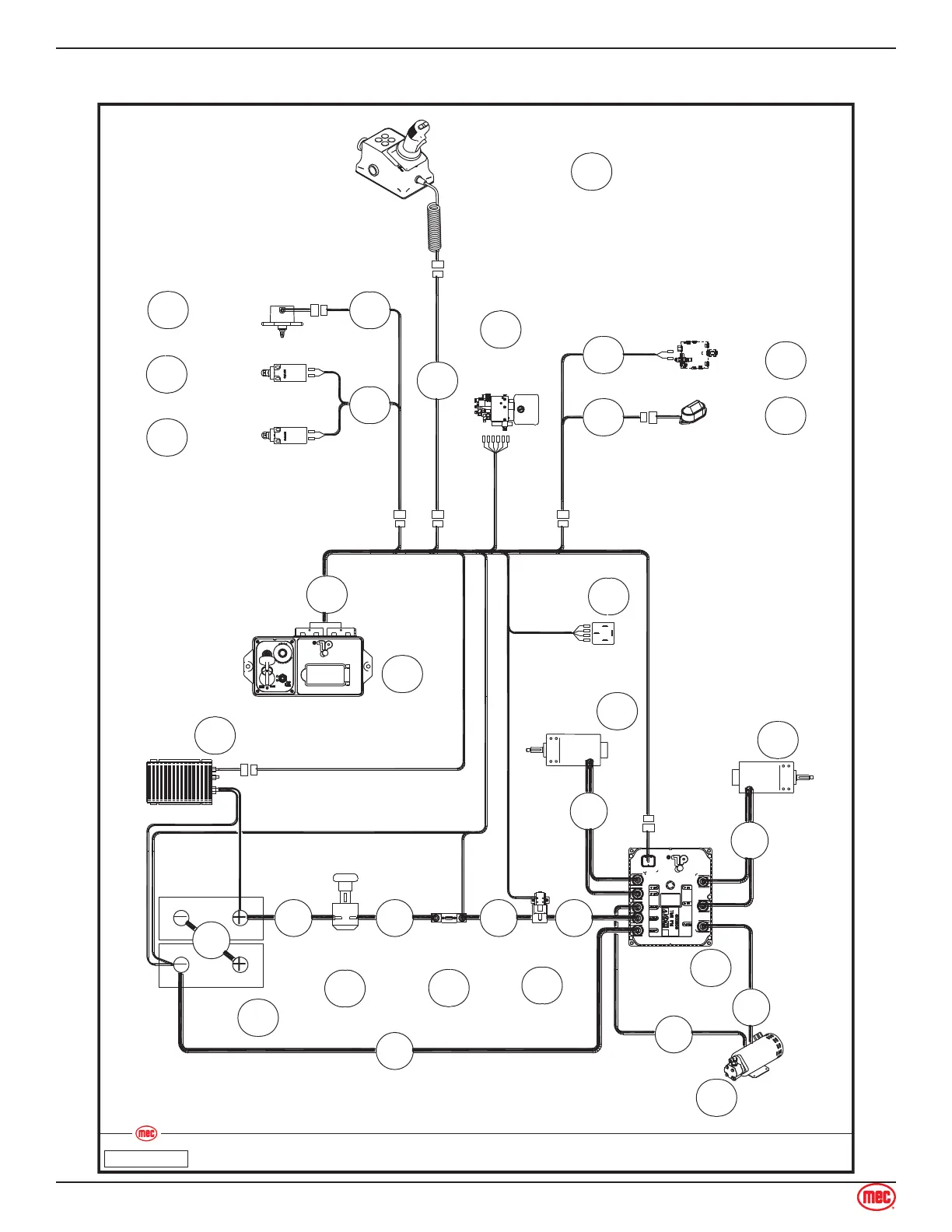
Electrical Harness
Electrical Harness1330
Art_5515
ILLUSTRATION No.
19
32
22
17
17
18
30
12
13
14
15
29
28
7
7
25
24
10
27
8
31
16
Ground Control
Assembly
1
20
21
4
9
11
26
2
5
6
23
3
Limit
Switch
Limit
Switch
Rotary
Sensor
Platform Control
Box Assembly
Hydraulic
Power Unit
Coil
Beacon
Relay
Left Motor
Right Motor
Motor
Controller
Motor
DC
Contactor
Fuse
Assembly
Power
Switch
Battery
Charger

Table of Contents