EasyManua.ls Logo

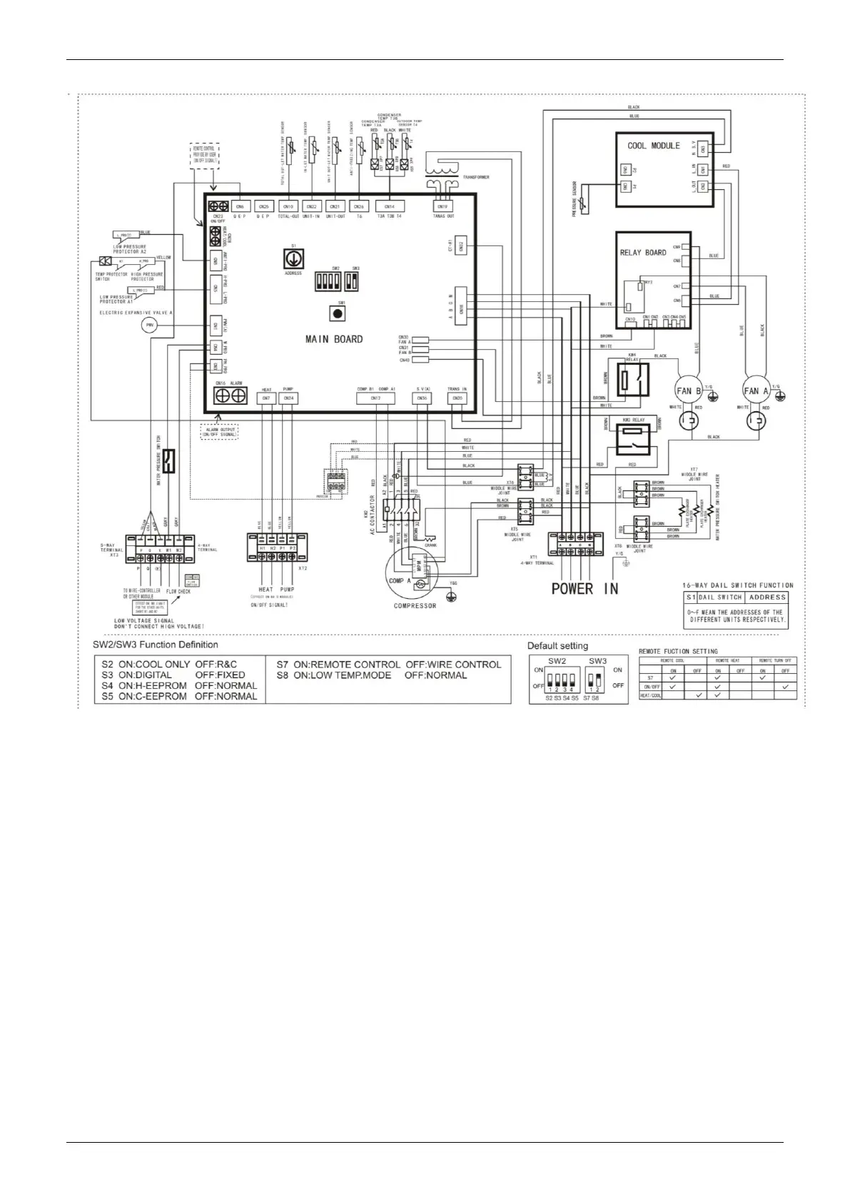
Midea Aqua Tempo Super Series - 8. Wiring Diagrams (continued); SP Series Wiring Diagrams (continued)

Midea Aqua Tempo Super Series
153 pages
Print Icon
To Next Page IconTo Next Page
To Next Page IconTo Next Page
To Previous Page IconTo Previous Page
To Previous Page IconTo Previous Page
Loading...
MCAC-ATSM-201606 Aqua Tempo Super Series air cooled scroll chiller unit (50Hz)
32
MC-SP65-RN1L

Table of Contents

Related product manuals