EasyManua.ls Logo

Midea MDH210-V042/B01EHS-US - Page 28

Midea MDH210-V042/B01EHS-US
57 pages
Print Icon
To Next Page IconTo Next Page
To Next Page IconTo Next Page
To Previous Page IconTo Previous Page
To Previous Page IconTo Previous Page
Loading...
Service manual for Dryer Machine Midea America Company
-------------------------------------------------------------------------------------------------------------------------------------------------------
28
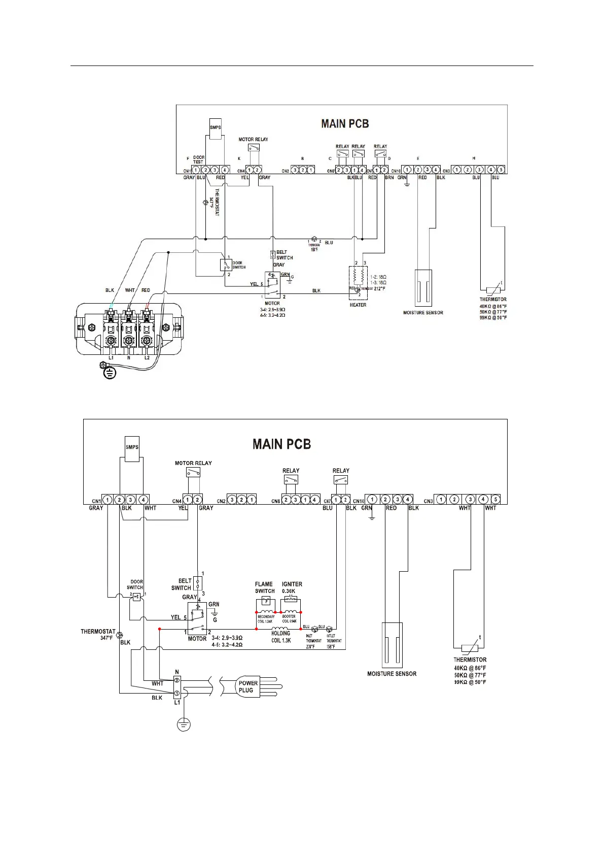
ELECTRIC MODEL:
GAS MODEL:

Related product manuals