EasyManua.ls Logo

Midea SO-BD386WE-UT - Defrosting Parts; Circuit Diagram

Midea SO-BD386WE-UT
42 pages
Print Icon
To Next Page IconTo Next Page
To Next Page IconTo Next Page
To Previous Page IconTo Previous Page
To Previous Page IconTo Previous Page
Loading...
Service manual, 2016-12
14 / 42
5.4Defrosting parts
Defrosting period
Initial defrosting period
Normal defrosting period
Temperature is lower than 0
o
C
6~24 hours
Defrosting sensor
NTC
B3839
Thermal fuse
Can’t be restored
77
Defrosting heater in freezing chamber
Steel pipe
230V/180W
115V/180W
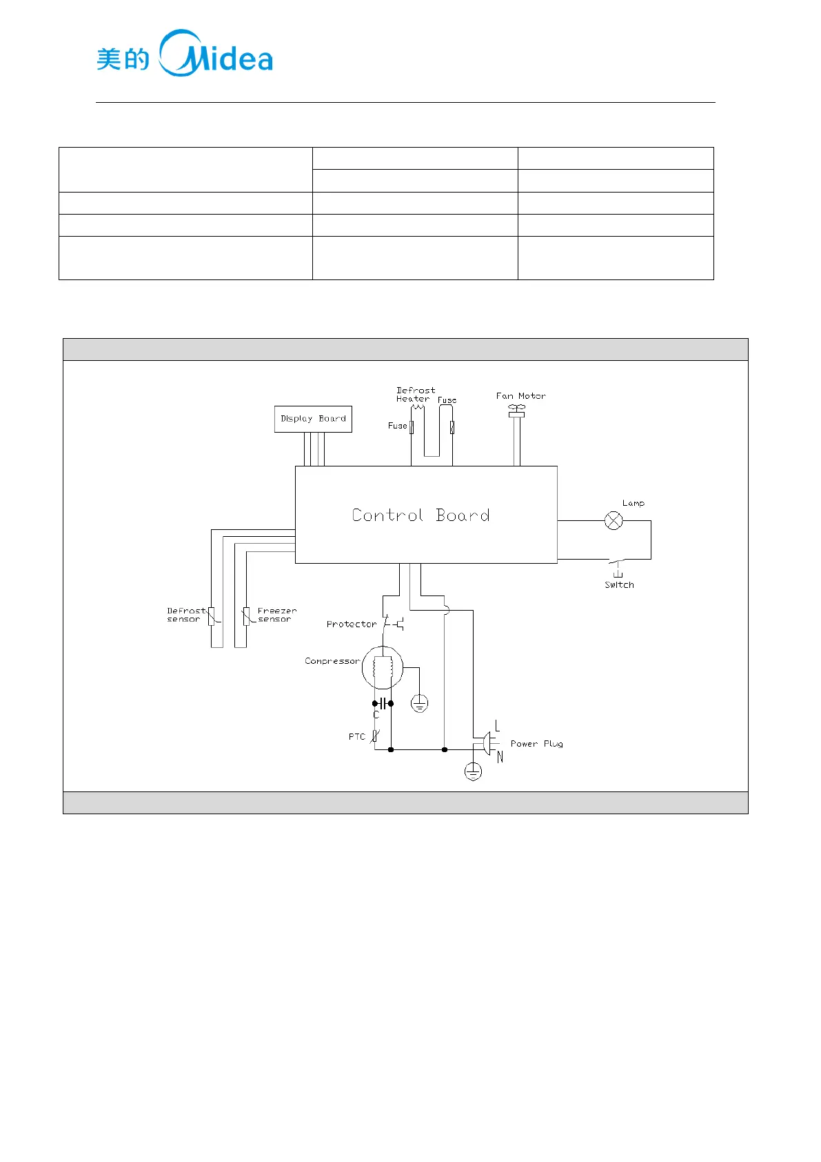
5.5Circuit diagram
SO-BD386WE-UT_22031010000120
UL-BD386WE-SQ_22031010000112(UL-BD386WE-FQ_22031010000107)

Table of Contents

Related product manuals