EasyManua.ls Logo

Midea UR-BD240WE-ST - Circuit Diagram

Midea UR-BD240WE-ST
54 pages
Print Icon
To Next Page IconTo Next Page
To Next Page IconTo Next Page
To Previous Page IconTo Previous Page
To Previous Page IconTo Previous Page
Loading...
Service Manual_2020-V1.0
18
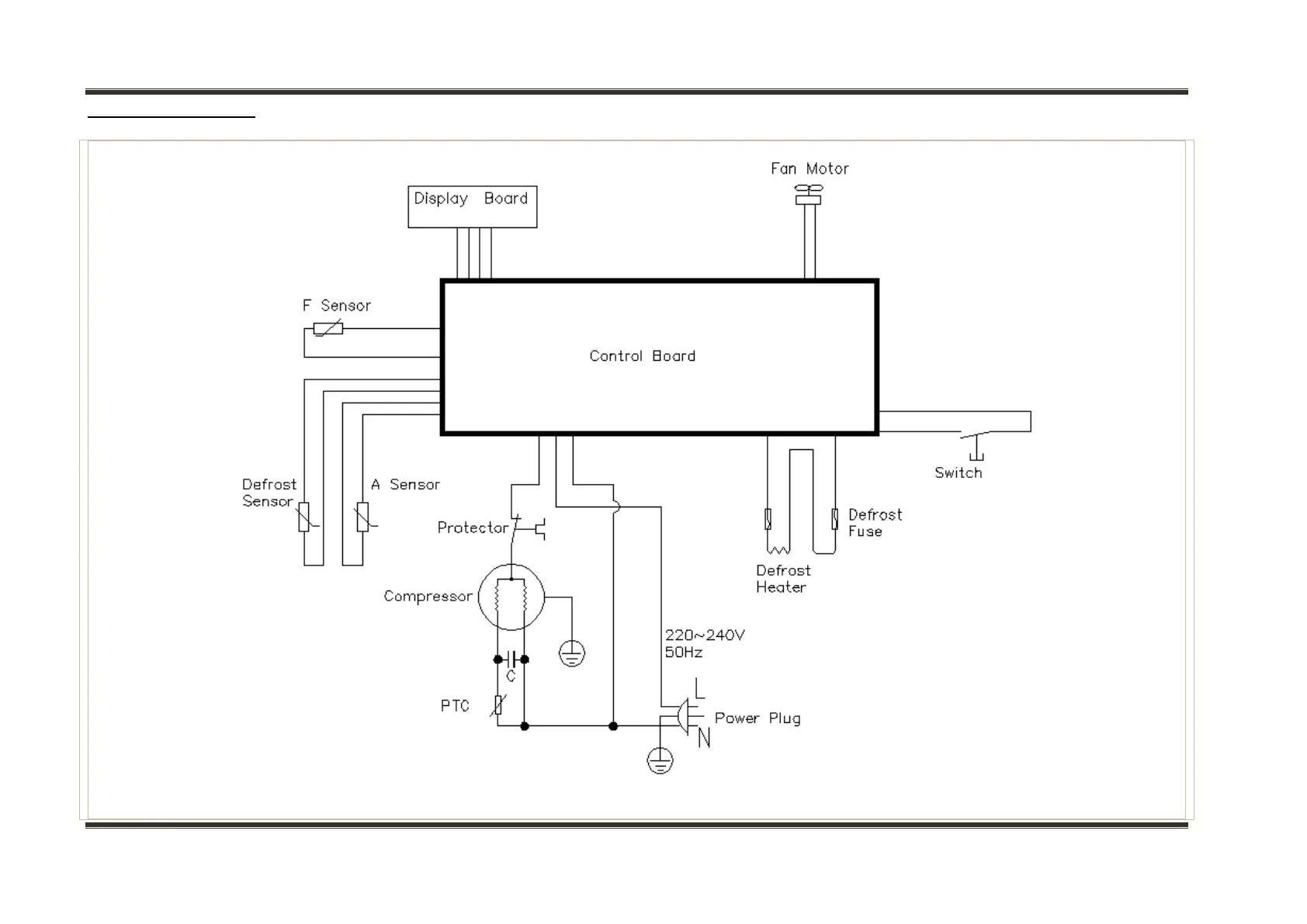
5.2 Circuit diagram
F: Freezer FD: Freezer Defrost A: Ambient temperature

Table of Contents

Related product manuals